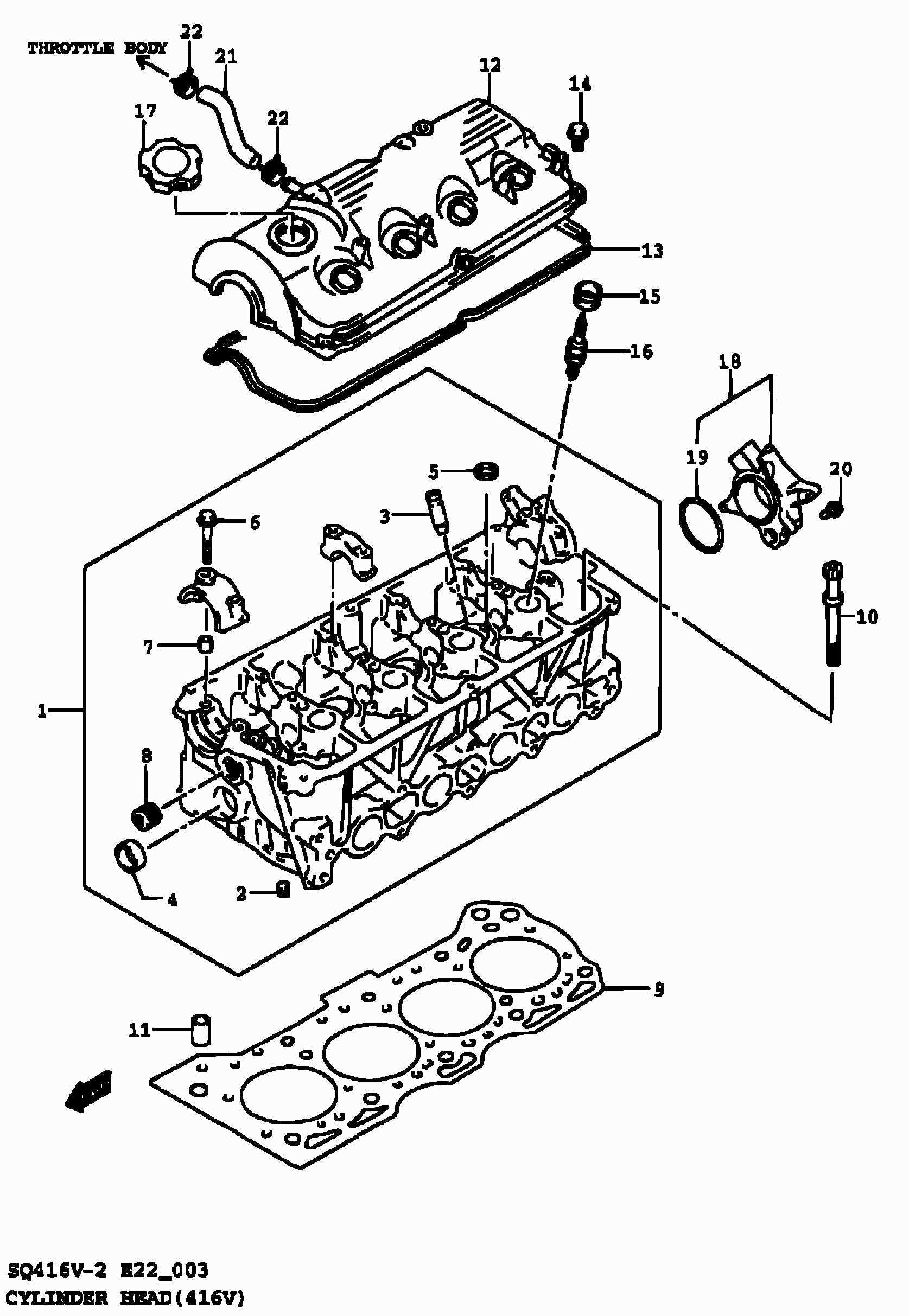
GUIDE VALVE

Part number: 11115-60B11-001

Price: USD 0.20 /Unit

Brand: 铃木

Add to cart
Add to Watchlist
Details

Features & Benefits

Compatibility Vehicles:
Alto - A-Star/Celerio/800/Fronte, Apv, Baleno/Esteem, Wagonr+, X-90, X90