MOTOR,FRT S/D WDO REG(PART OF 3)(FOR VEHS BUILT AFTER 3/7/07. PRIOR MUST ORDER
Part number: 15869735
Brand: Hummer
Related parts
【23】11516421 Bolt, vacuum brake booster (08.900)
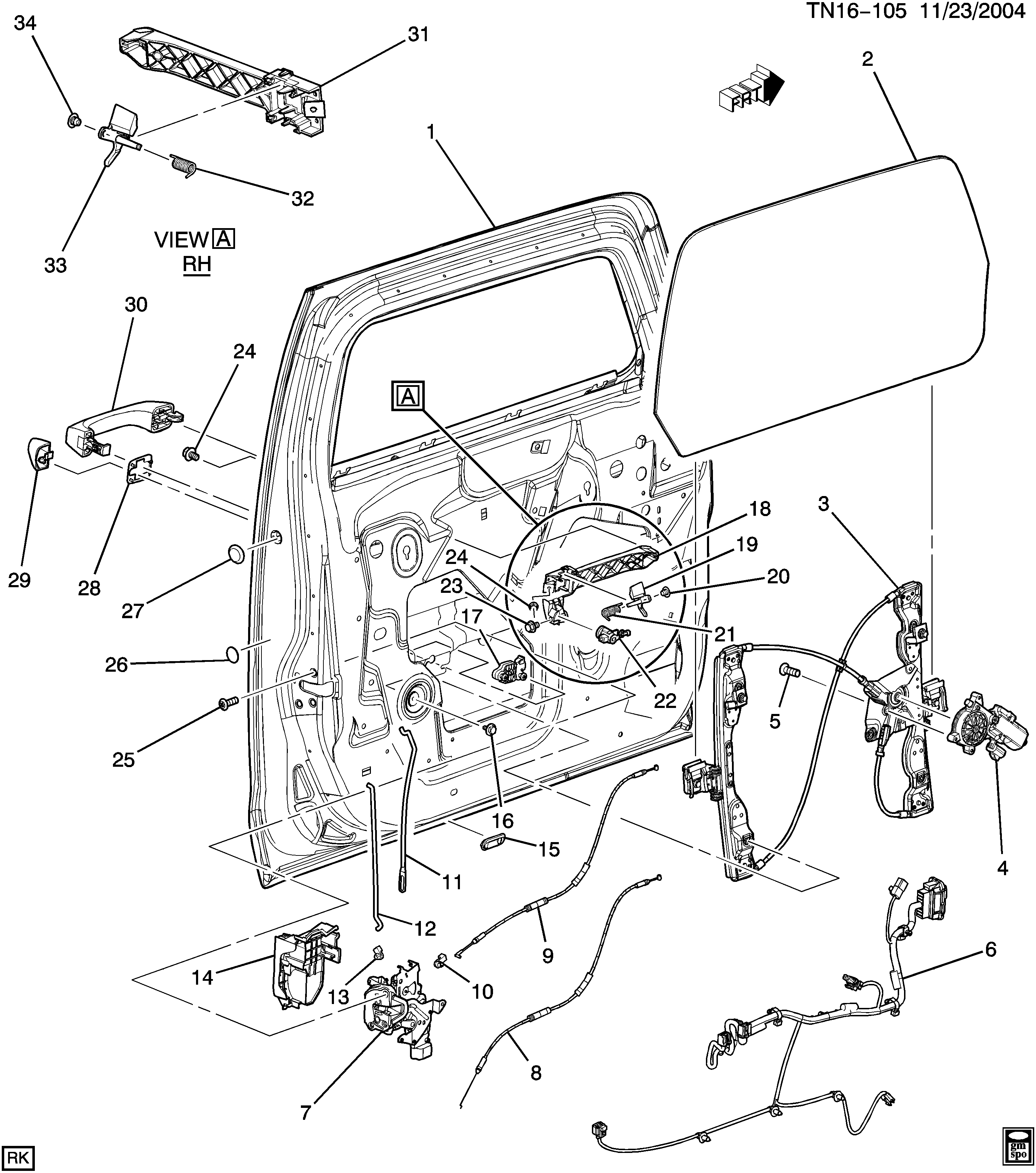
【7】15855972 LOCK,FRT S/D(INCLS 8-14)(ACDelco #15855972)
【28】15921999 GASKET,FRT S/D O/S HDL
【29】15932907 CAP,FRT S/D O/S HDL STUD(CHROME)(16.353)(SERV CMP OF HANDLE PKG 19156158)
【7】25783753 LOCK,FRT S/D(INCLS 8-14)(INCLS ACTUATOR)(ACDelco #25783753)
【30】25832249 HANDLE,FRT S/D O/S(SEE GROUP 16.000 DOOR HARDWARE/SIDE FRONT PART 2 FOR DETAIL
【18】25878779 HOUSING,FRT S/D O/S HDL(INCLS 19-21)
【3】25939268 REGULATOR,FRT S/D WDO(INCLS 4,5)(16.260)(ACDelco #25939268)
