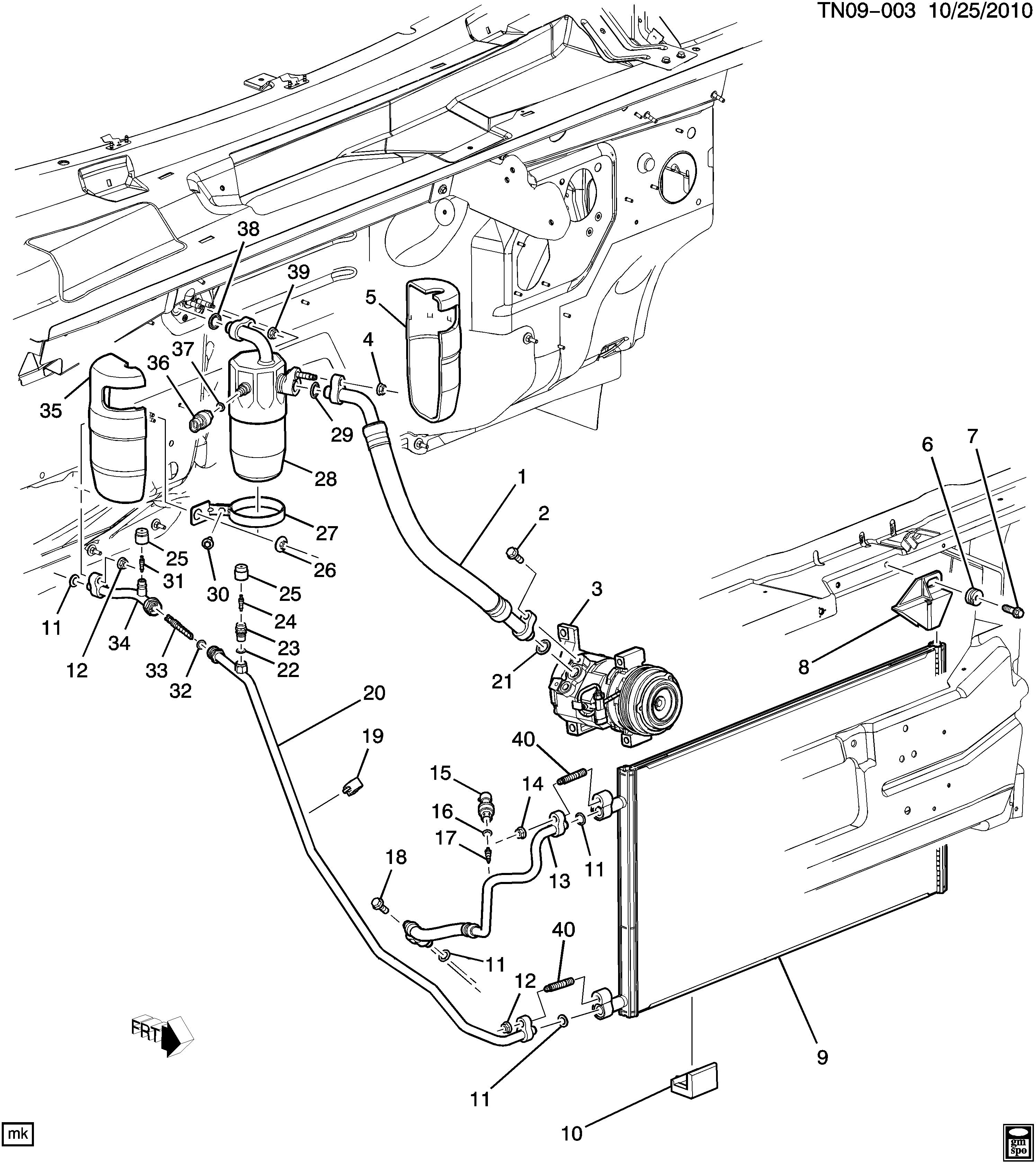
HOSE,A/C CNDSR(INCLS 11,15-17)(ACDelco #15-32238)
Part number: 15886917
Brand: Hummer
Related parts
【38】02724966 SEAL,A/C ACCUM HOSE(O RING)(25MM OD X 17MM ID, 3/4IN DIA)(PART OF 23)(25MM OD X
【31】03041827 CORE,A/C REFRIG SERV VLV(INCLUDES SPRING, WITHOUT O-RING)(13/64-36 THD)(PART OF
【39】11514596 NUT,HFH,M8X1.25,17.9 OD,738 THK,13MM HEX,10, ZF(A/C CMPR & CNDSR HOSE)(8.915)(AC
【30】11514623 Bolt, recovery tank (M6X1X20) (8.900)
【40】11561065 Stud (for air conditioner compressor hose) (9.220)
【18】11570082 BOLT,HFH,M8X1.25X22,19 THD,18 OD,10.9,GMW3359(OIL FIL TUBE)(ACDelco #11570082)
【26】11588331 NUT,HEX HD W/CON WA,M6X1,5.7THK,25 O.D.,9,GM6138M(BK BODY OPG SI APLQ)
【11】13579648 SEAL,A/C CMPR & CNDSR HOSE(19MM OD X 11MM ID)(PART OF 10)(SLIMLINE WASHER,1/2)(
【15】13587668 SENSOR A/C REFRIG PRESS
【36】15144494 SWITCH,A/C CYCLING(ACDelco #15-50618)
【16】19188397 O-RING, 7.65MM ID, 1.78 MM THK,NEOPRENE(AUX A/C EVPR INL TUBE (O RING))(ACDelco
【9】20913751 Condenser, air conditioner (including 4,38, 39) (AC-DELCO #15-63666)
【23】52458184 Valve (5 parts) (including 14) (M12X1.5 thread) (without O-ring and core)
【25】52458768 CAP,A/C REFRIG SERV VLV(HIGH SIDE CHARGE PORT)(PART OF 10)(M8X1.0)(WITH SEAL)(LO
【8】52481715 Bracket a/c condenser upper (in/out) (part of 1) (114.5 long)
【8】52481716 Bracket (return), cooler cond upper (ex 39) (114)
