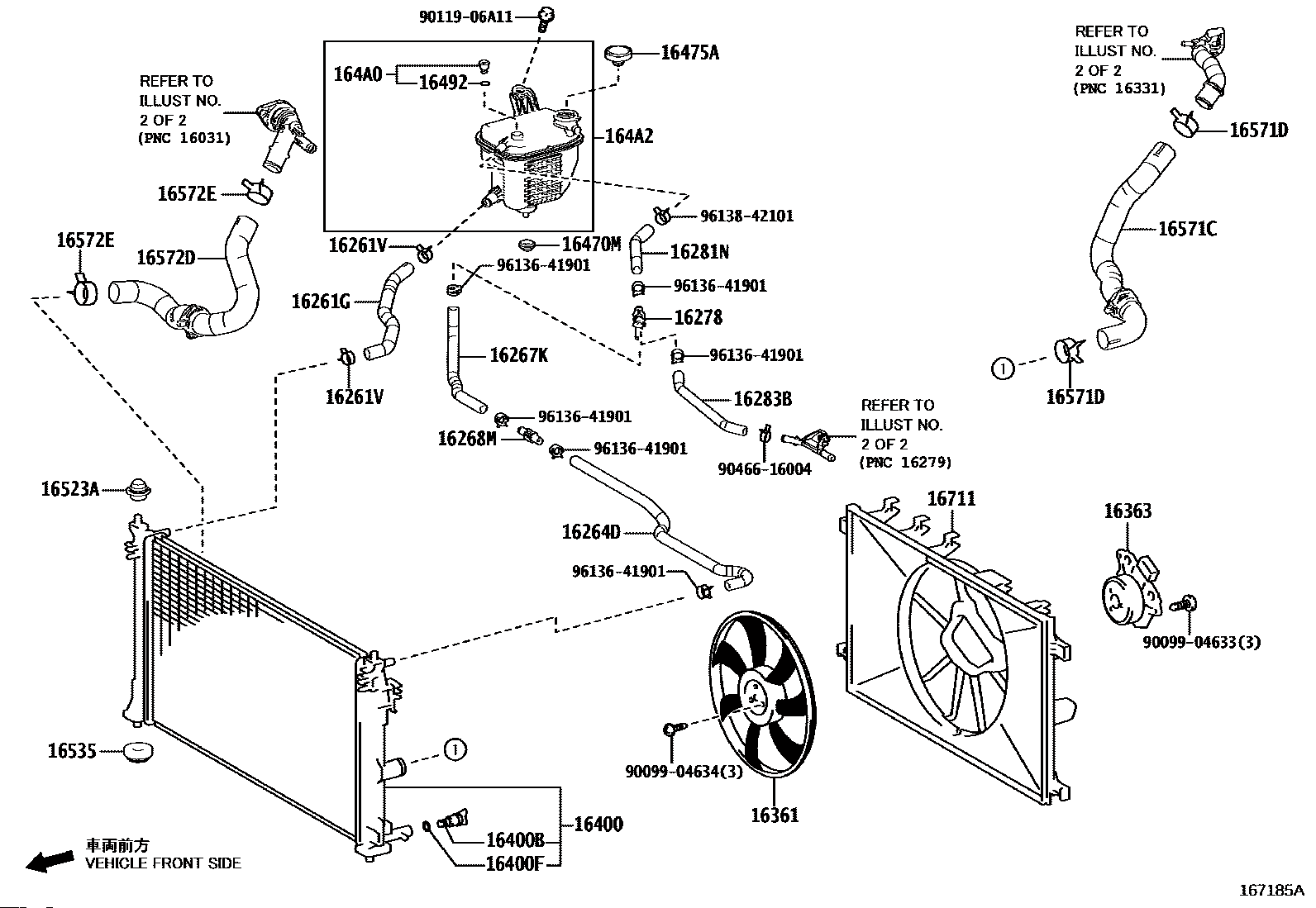
HOSE, WATER BY-PASS
Part number: 1626424020
Brand: 雷克萨斯
Related parts
【16261G】1626124020 HOSE WATER BY-PASS NO.1
【16361】1636124090 FAN
【16363】1636347060 MOTOR COOLING FAN
【16400】1640024330 RADIATOR ASSY
【16400】1640024350 RADIATOR ASSY
【16400】1640037311 RADIATOR ASSY
【16400】1640037380 RADIATOR ASSY
【16400B】1641721280 COCK SUB-ASSY
【16475A】1647528140 CAP, RESERVE TANK
【16492】1649221050 PACKING
【164A2】164A237012 Tank, reserve tank
【16523A】1652337010 CUSHION, RADIATOR
【16571C】1657124080 HOSE, RADIATOR, NO.1
【16572D】1657224050 HOSE RADIATOR NO.2
【16572D】1657224060 HOSE RADIATOR NO.2
【16711】1671124130 SHROUD, FAN
【16711】1671124140 SHROUD FAN
【16711】1671124150 SHROUD FAN
【16572E】9046643002 CLIP, HOSE
【16470M】9048018010 INPUT SHAFT SEAL
【16535】9048040021 SUPPORT, RADIATOR, LOWER
【16261V】9613842501 CLIP, HOSE
