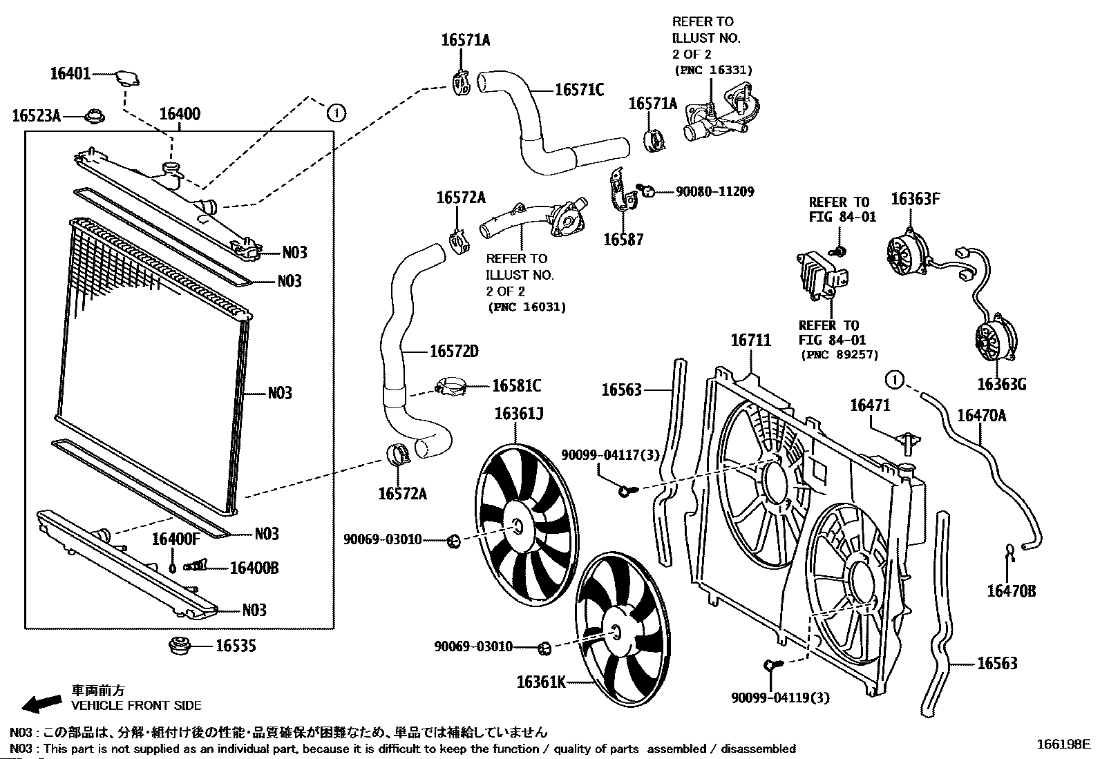
SHROUD, FAN
Part number: 167110P330
Price: USD 0.00 /Unit
Brand: 雷克萨斯
Add to cart
Add to Watchlist
Related parts
【16363F】1636331200 MOTOR COOLING FAN
【16363G】1636336090 MOTOR COOLING FAN
【16401】1640131520 Cap sub-assy, radiator
【16401】1640131830 Cap sub-assy, radiator
【16401】1640136020 Cap sub-assy, radiator
【16400B】164170C180 COCK SUB-ASSY
【16400F】1649221050 PACKING
【16523A】16523AD010 CUSHION, RADIATOR
【16535】165350A090 SUPPORT, RADIATOR, LOWER
