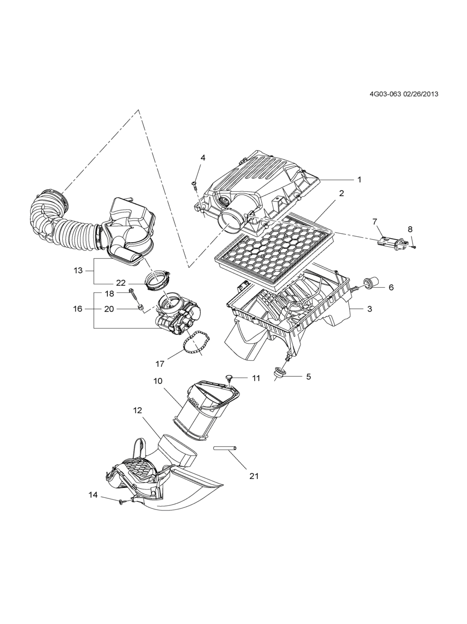
Throttle body (with throttle actuator) (incl. 18,20)
Part number: 19420709
Brand: Buick
Related parts
【020】11518792 Retainer, c
【018】11519970 Bolt, camshaft cover (M6X1.0X40) (8.900)
【011】11561645 Nut (M6X1.0MM) (6 ), cowl
【011】11571109 Pin (2 pieces, pull length 33.58 maximum) (12.944)
【014】13278397 Bolt, air intake pipe (7.833)
【008】13306966 Bolt, air flow sensor
【021】13318762 Air cleaner mounting
【010】13325924 Duct ctr air intake
【003】13335601 Case, air cleaner lower
【012】13343580 Tube (to be used before 2011-06-13)
【001】22754183 Case, air cleaner, upper
【013】22951182 Duct (including 22)
【005】26356064 Spacer, air cleaner
【002】55560894 AIR CLEANER
【006】9202941 Spacer, air (rr) (3.405)
【002】93720389 AIR CLEANER
