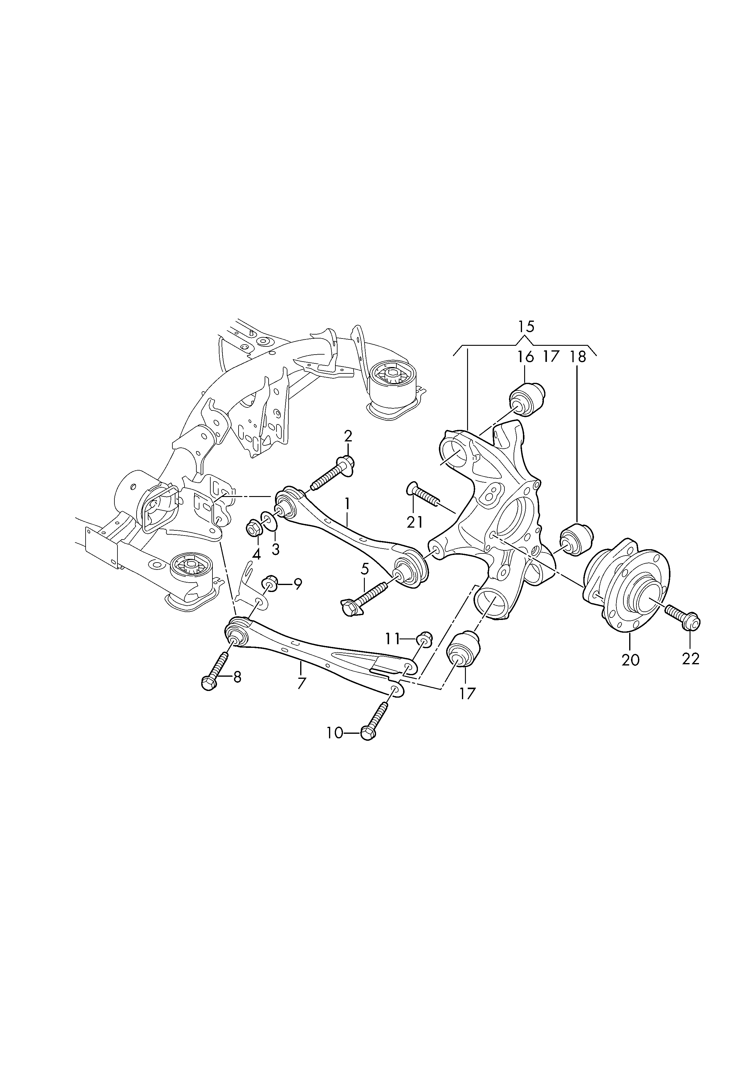
Housing assy-wheel bearing
Part number: 1ED 505 434 B
Price: USD 58.00 /Unit
Brand: Audi
Add to cart
Add to Watchlist
Related parts
【20】1ED407621A Wheel bearing kit D-31.05.2021
【7】1ED505291 TRACK CNTRL ARM FRT RH AUDI-Q7
【15】1ED505433B Housing assy-wheel bearing
【11】N10106403 Nut, self-locking hexagon
【10】N10505602 BOLT
【21】WHT004835 STUD,BALL(STAY T
【22】WHT005437A Bolt, cowl shoulder
