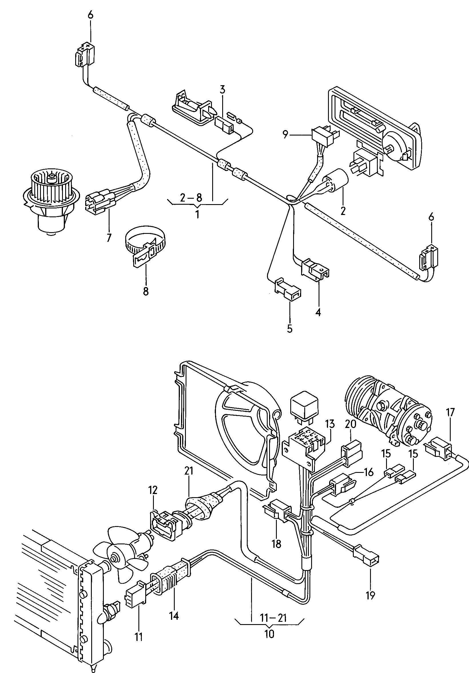
Harness, for power Fan Porsche panamera: F 1G-RW000 001 *

Part number: 1GD 971 281

Price: USD 17.00 /Unit

Brand: Volkswagen

Add to cart
Add to Watchlist
Details

Features & Benefits

Replaces:
191971281AR, 1GS971281A, 191971281AS

Related Factories

Anhui yaoen automobile electrical appliance technology co., ltd.

Anhui Zhouyang Auto Parts Co., Ltd.

Zhejiang Nuoyi Brake System Co., Ltd.