CAB AIR POLLEN FILTER-AUDI(A6)
Part number: 1K0 819 644A
Brand: 斯柯达
Related parts
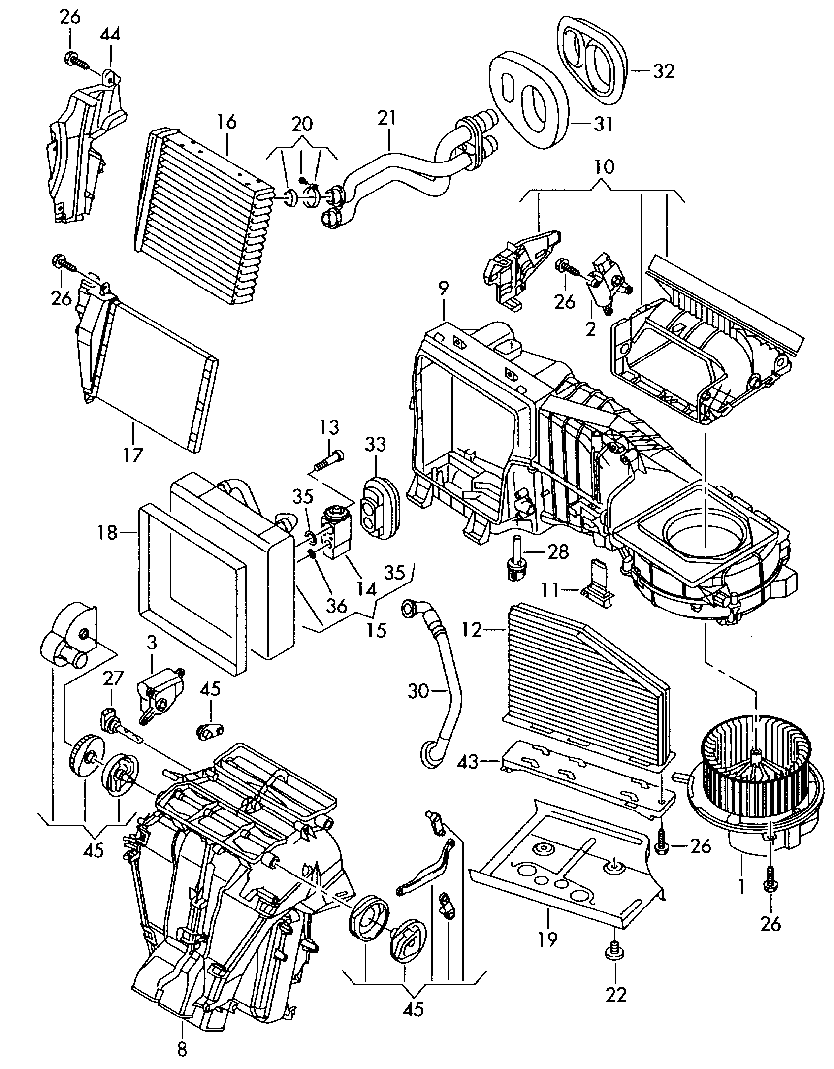
【22】1H0819943 SCREW
【16】1K0819031B PORSCHE CAYENNE OILCOOLER 2007
【31】1K0820061 Gasket
【2】1K0907511C Servo motor, in car air circulation mode function
【11】1K0959263A Resistance-series
【1】1K1819015C BLOWER,INTERIOR-AUDI(A4/A5/Q5)
【44】1K1819349D Protector plate
【44】1K1819349E Protector plate
【12】1K1819653B Biofunctional cab filter
【9】1K1820007A Housing companion as needed:
【15】1K1820103B Evaporator, band Valve, expansion D -MJ 2009
【8】1K1820353 Box assy-power distribution
【45】1K1898001 Lever assy air * *
【1】1K2819015C BLOWER,INTERIOR-AUDI(A4/A5/Q5)
【12】1K2819653B CAB AIR CARBON FILTER-AUDI(A3)
【15】1K2820103E Evaporator, w/expansion valve
【27】3D0907543A Temperature sensor
【36】8E0260749 SEAL
【35】8E0260749D SEAL
