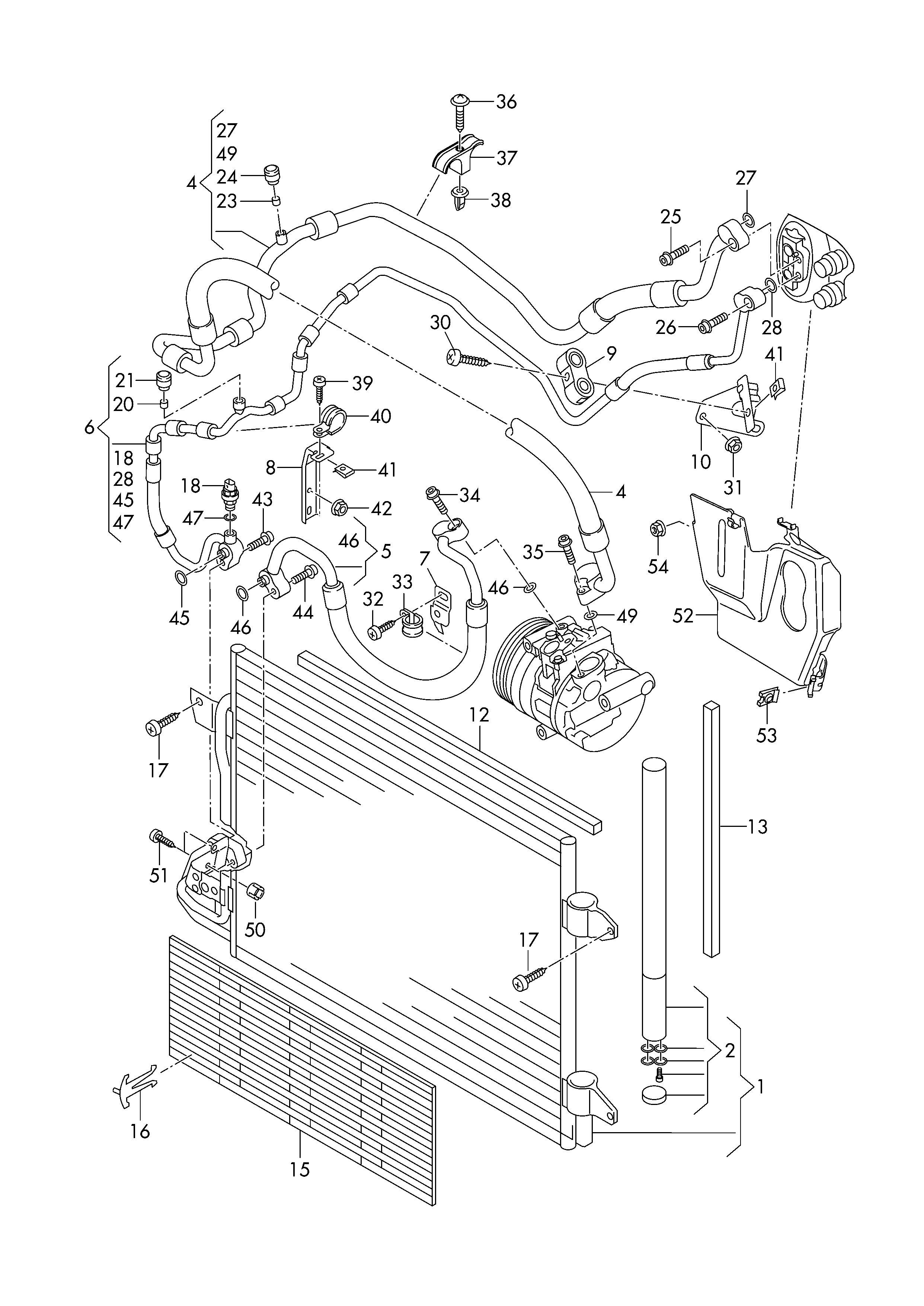
CONDENSER- AUDI /VW-TRG/TIG/GF
Part number: 1K0 820 411AH
Brand: seat
Related parts
【37】1J0820774 CLAMP
【2】1K0298403A Dryer insert Retainer
【5】1K0820721BD Hose-refrigerant
【5】1K0820721BK Hose, refrigerant
【5】1K0820721BL Hose-refrigerant
【5】1K0820721BQ Hose-refrigerant
【6】1K0820741AT Hose, refrigerant
【6】1K0820741BC Hose, refrigerant
【6】1K0820741CN Hose, refrigerant
【4】1K0820743BQ Refrigerant pipe
【4】1K0820743FD Hose (expansion valve
【4】1K0820743FG Hose, refrigerant Valve, expansion Compressor-refrigerant
【4】1K0820743FP Refrigerant hose
【15】1K0820746 Grille protector
【8】1K0820769D Bracket, for refrigerant hose
【16】3D0867646 CLIP
【46】4E0260749A SEAL 40X55X8 ASW LD ACM
【27】4E0260749B SEAL 40X55X8 ASW LD ACM
【2】5K0298403 DRYER INSERT WITH ATTACHMENT PARTS
【47】8E0260749 O RING
【49】8E0260749C SEAL 40X55X8 ASW LD ACM
【42】N01028712 SCREW
【54】N01508213 NUT
【36】N0439394 SCREW
【40】N10236603 CLIP
【44】N10414402 BOLT
【53】N90245502 Clevis
【31】N90289105 NUT
