Brand: seat
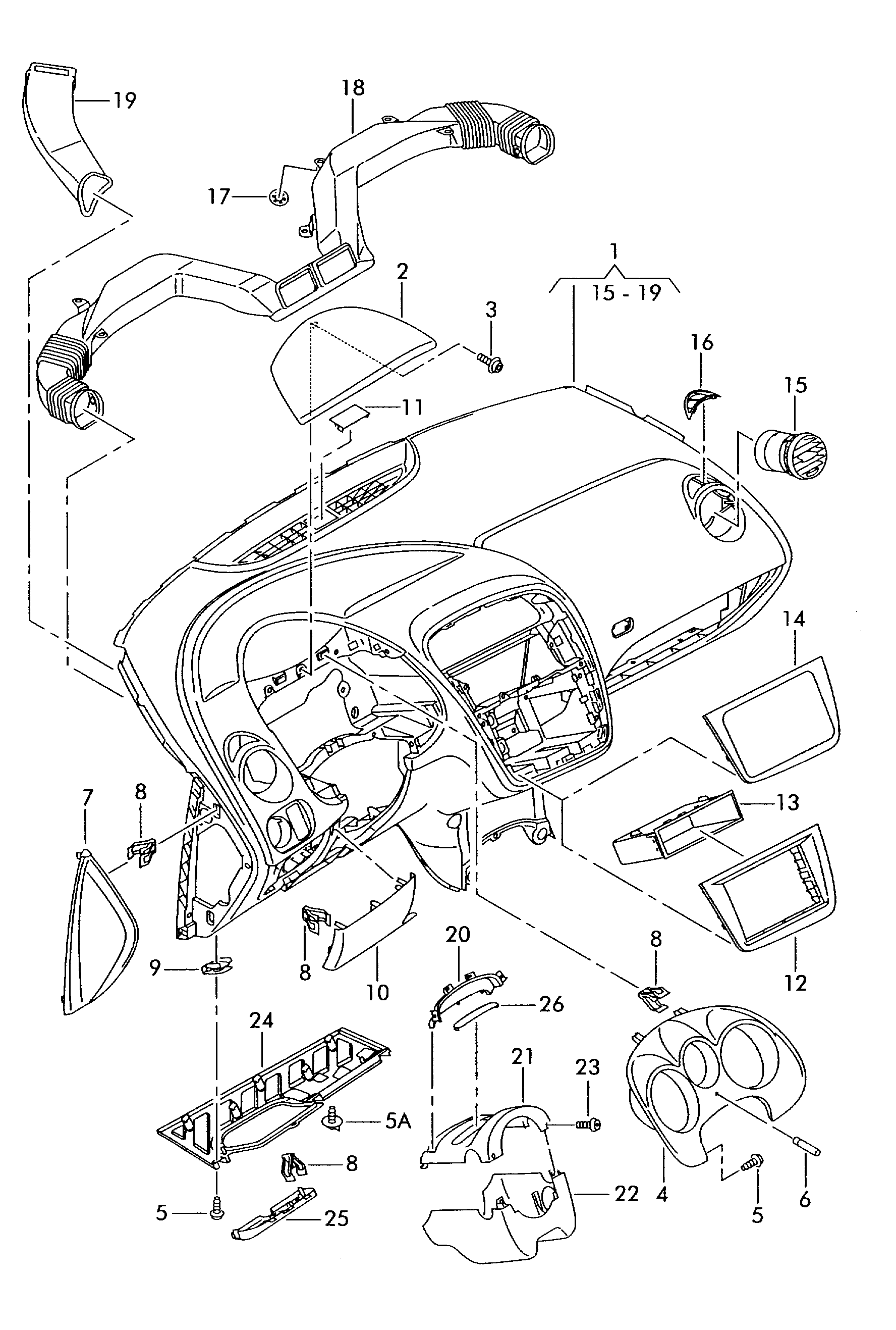
【8】1J0858137B CLIP,CAP END
【1】1P1857003L Panel, instrument
【1】1P1857003LB0M Panel-gray
【22】5P0858566E1UQ Finisher-lower, persian black
【17】N90015102 CIRCLIP519520
【5】N90698606 Bolt, hexagon no.1
【9】N90698803 Insert nut:
【3】N90728702 Bolt (combination), hexagon
【23】N90944603 Bolt, hexagon
【5A】WHT000155 Bolt, wing
Features & Benefits
Related Factories
Laizhou Dingli Machinery Co., Ltd.
Ningbo SmartWay Auto Parts Co., Ltd.
Linqing Xinran Bearing Co., Ltd.
Anhui Filtering Tefei Auto Parts Manufacturing Co., Ltd.
Yantai Lizhi Ao Auto Parts Co., Ltd.