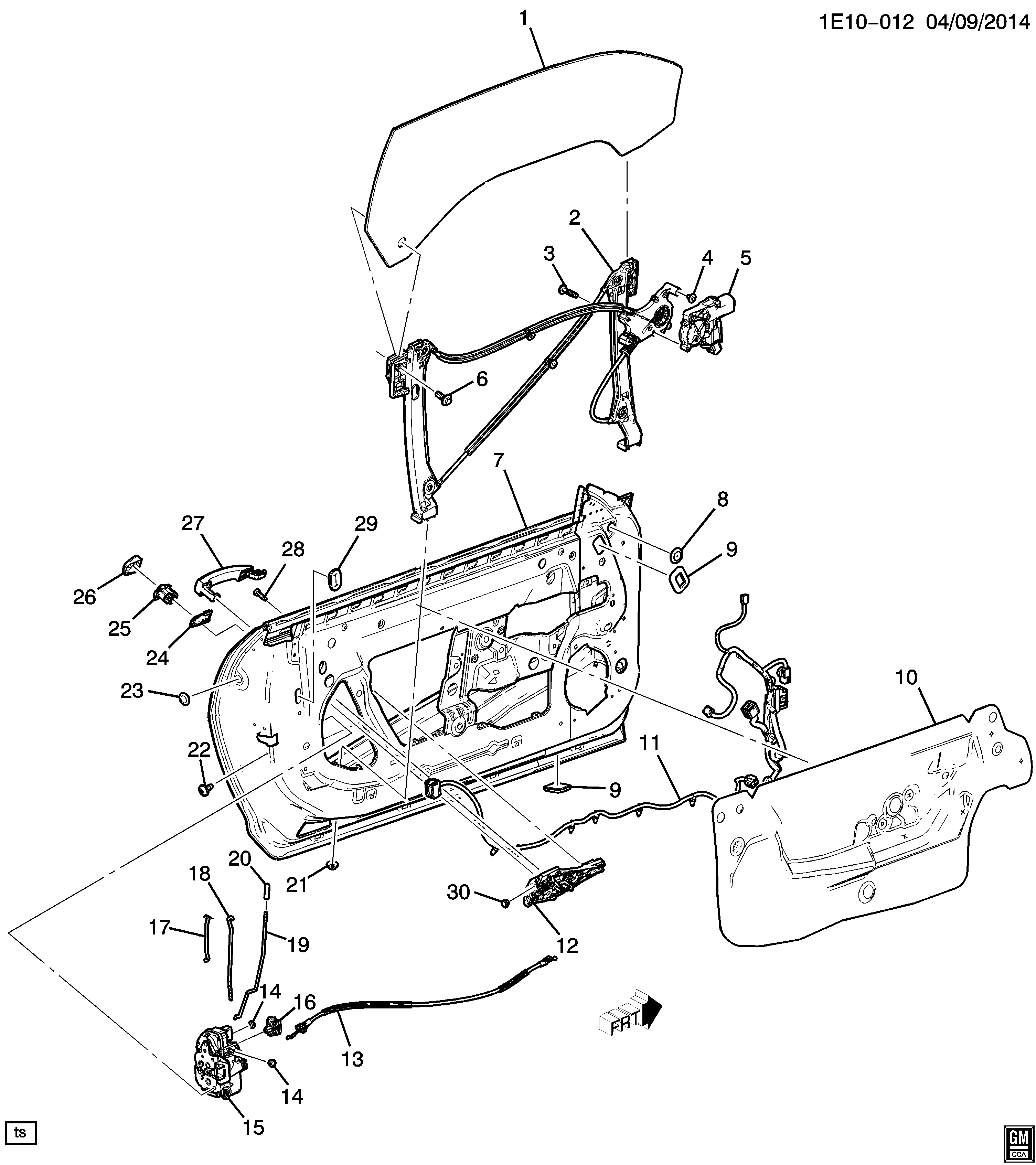
Regulator, front side door window glass (including 3-6) (10.783) (AC-DELCO #23393263) (l)
Part number: 23393263
Brand: Chevrolet
Related parts
【014】10399379 Clip (o/s 9.7), rh/lh
【004】11561596 Bolt, fr. side door window regulator
【022】11609341 Bolt, rear door lock (M6X1.0X16 mm) (length 22.85)
【030】13210733 Snap (15 piece) (push-in joint) (band
【024】13502036 Spacer, lock cylinder (see 13258370) (10.527)
【012】13505889 BRACKET,FRT S/D O/S HDL(INCLS 29)
【012】13505895 BRACKET,FRT S/D O/S HDL(INCLS 29)
【015】13579522 Door lock (for rear 2013/07/07) (for 1st design see 13579514) (including 15,40)
【015】13579523 Door lock (for rear 2013/07/07) (for 1st design see 13579515) (including 15,40)
【029】20880973 Grommet, r. fr. side (see 13258370)
【025】20912091 Kit, r. fr. door
【011】22753475 HARNESS,FRT S/D WRG(LABELED 92237771, 2ND DES SEE 92241478.)
【007】22792576 DOOR,FRT SI(SEE GROUP 12.000 SHEET METAL/BODY FOR DETAILED ILLUSTRATED VIEW)
【007】22792577 DOOR,FRT SI(SEE GROUP 12.000 SHEET METAL/BODY FOR DETAILED ILLUSTRATED VIEW)
【005】22877929 Motor assy., r. fr. door window (AC-DELCO #22877929)
【002】23393262 Regulator, front door window glass (including 3-5) (AC-DELCO #23393262)
【023】24436714 PLUG,FRT S/D O/S HDL ACC HOLE(20 OD)(12.179)
【008】25652432 PLUG,FRT S/D ACC HOLE(35MM DIA)(FITS 25MM HOLE)(ROUND)(12.934)
【027】92233089 HANDLE, RR S/D O/S-CRUZE
【026】92233090 Bezel (w/key hole) (same color paint)
【013】92238242 CABLE,FRT S/D I/S HDL
【005】92243581 MOTOR,FRT S/D WDO REG(PART OF 2)(ACDelco #92243581)
【005】92243582 MOTOR,FRT S/D WDO REG(PART OF 2)(ACDelco #92243582)
【002】92249759 REGULATOR,FRT S/D WDO(INCLS 3-6)(ACDelco #92249759)
【002】92249760 REGULATOR,FRT S/D WDO(INCLS 3-6)(ACDelco #92249760)
