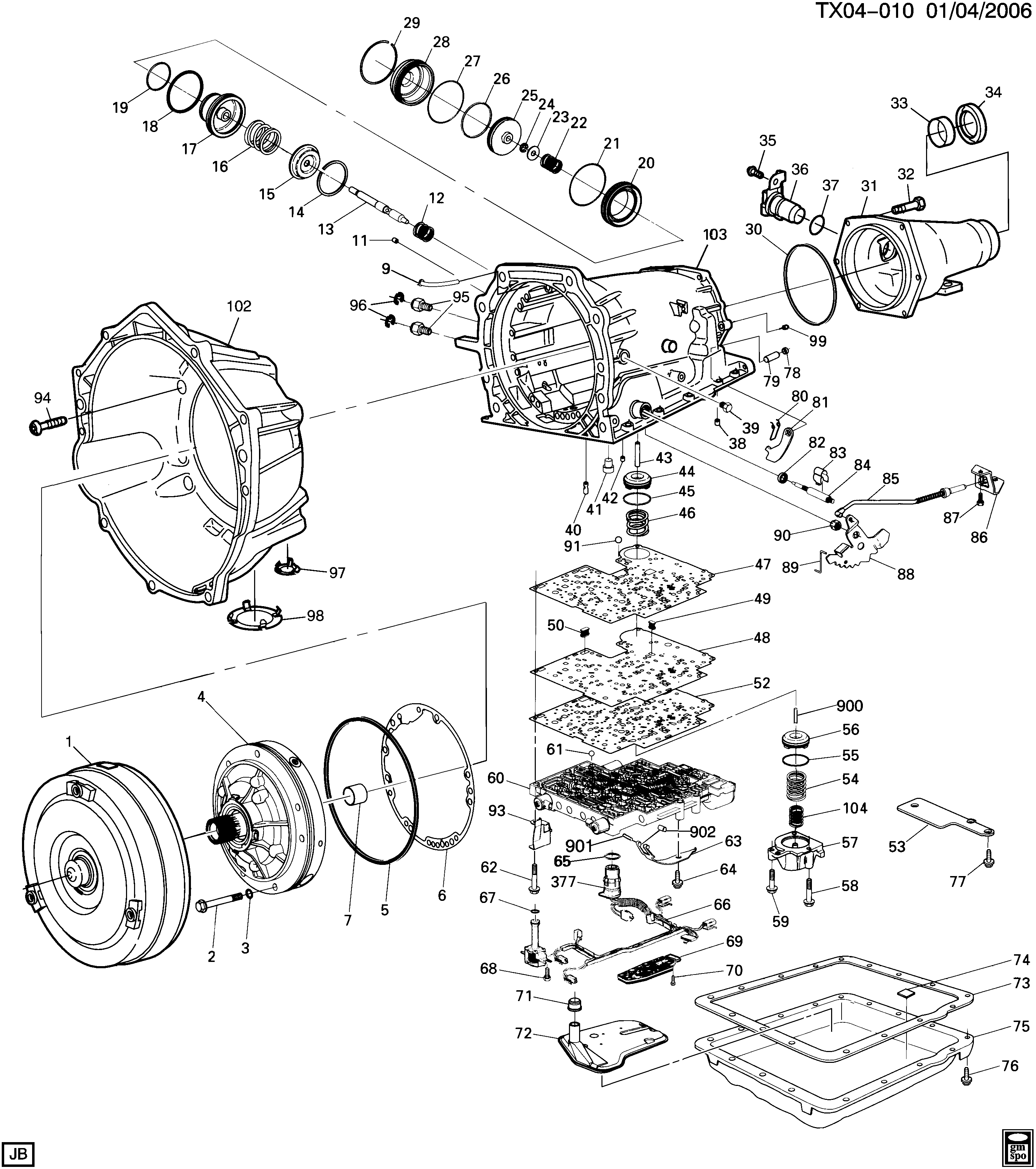
SPRING,1-2 ACCUM PSTN(VIOLET)(OTR)(*KIT7)(ACDelco #24209794)
Part number: 24209794
Price: USD 160.00 /Unit
Brand: Hummer
Add to cart
Add to Watchlist
Related parts
【39】08654382 HOOD LATCH ASSEMBLY
【95】19125677 FITTING,TRANS FLUID CLR PIPE(FITTING TO UPPER PIPE)(INCLS 91)(STEEL)(1/4 X 18 NP
【98】24205900 Cover, torque converter housing service hole
【5】24210605 SEAL,A/TRNS FLUID PUMP(O RING)(*KIT1,KIT2)(ACDelco #24210605)
【69】24215111 SWITCH,A/TRNS FLUID PRESS MAN VLV POSN(INCLS TRANS FLUID TEMP (TFT) SENSOR)(W/PL
【74】29535617 Magnet
