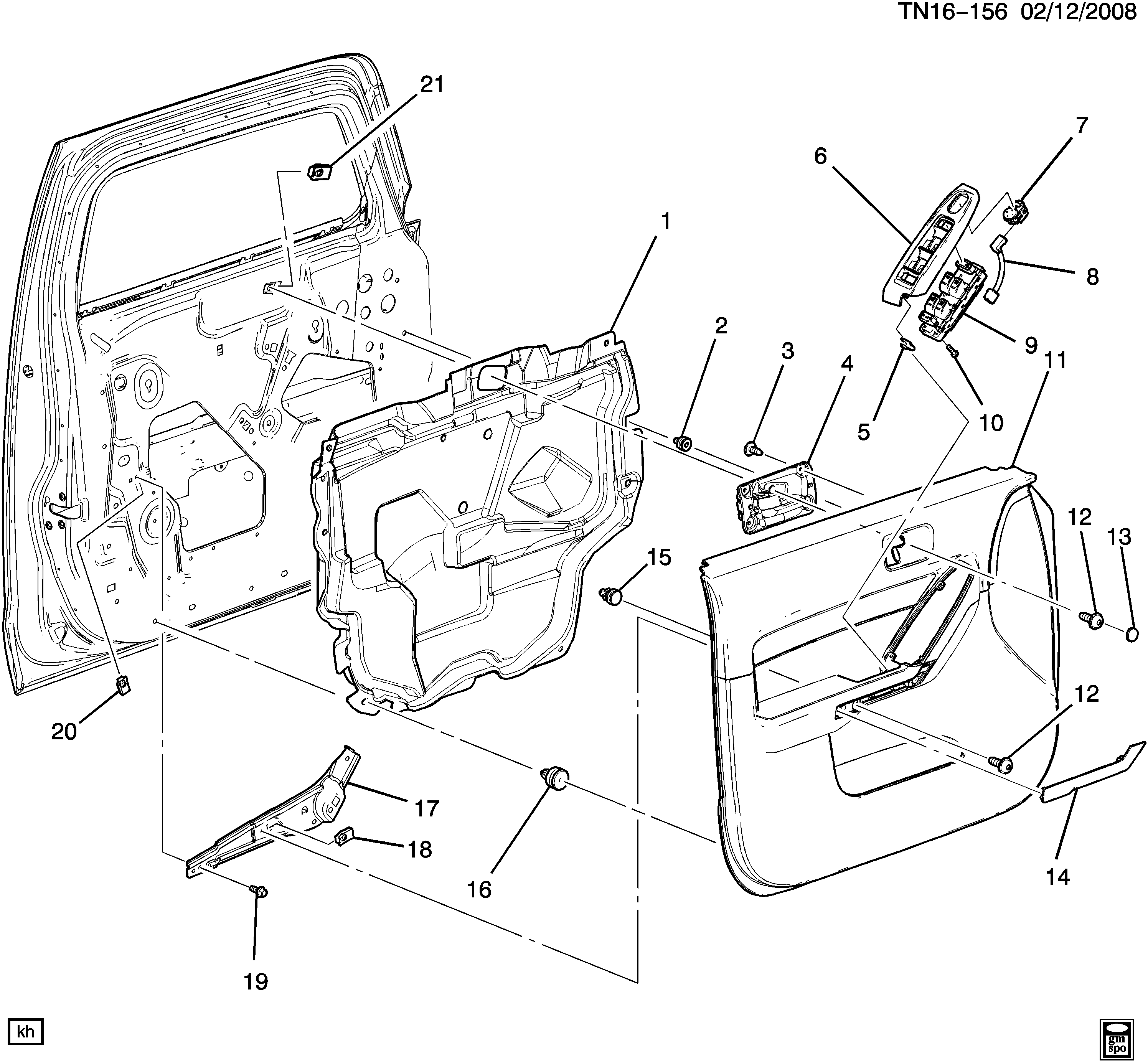
PLATE,FRT S/D ACSRY SW MT
Part number: 25876085
Brand: Hummer
Related parts
【5】10410811 Clip (part of 25), instrument panel driver (10.777)
【20】11518121 Nut, U, M6X1, multithreaded, thick. 5 -4.0 (rr susp strut)
【16】11519031 Set, push-fit, 19.5x26.1x1.8, acetal diethanol, plain, foam sealant
【2】11519032 Set, push-in, 19.5x28.4x1.8, with hole 9.1, acetal diethanol, black (23 parts)
【18】11570097 Nut (10.235), radiator mounting upper
【3】11611881 Screw, pan, M4.2X1.41X13 otr.11, ISO 2702, GMW18730, tapping
【15】15870761 RETAINER,FRT S/D T/PNL(PART OF 11)(1905 OD,31 TL)(FITS 6MM HOLE)
【9】25779767 SWITCH,DR LK & SI WDO(MASTER)(BULBS ARE POA ONLY)(ACDelco #25779767)
