Brand: Hummer
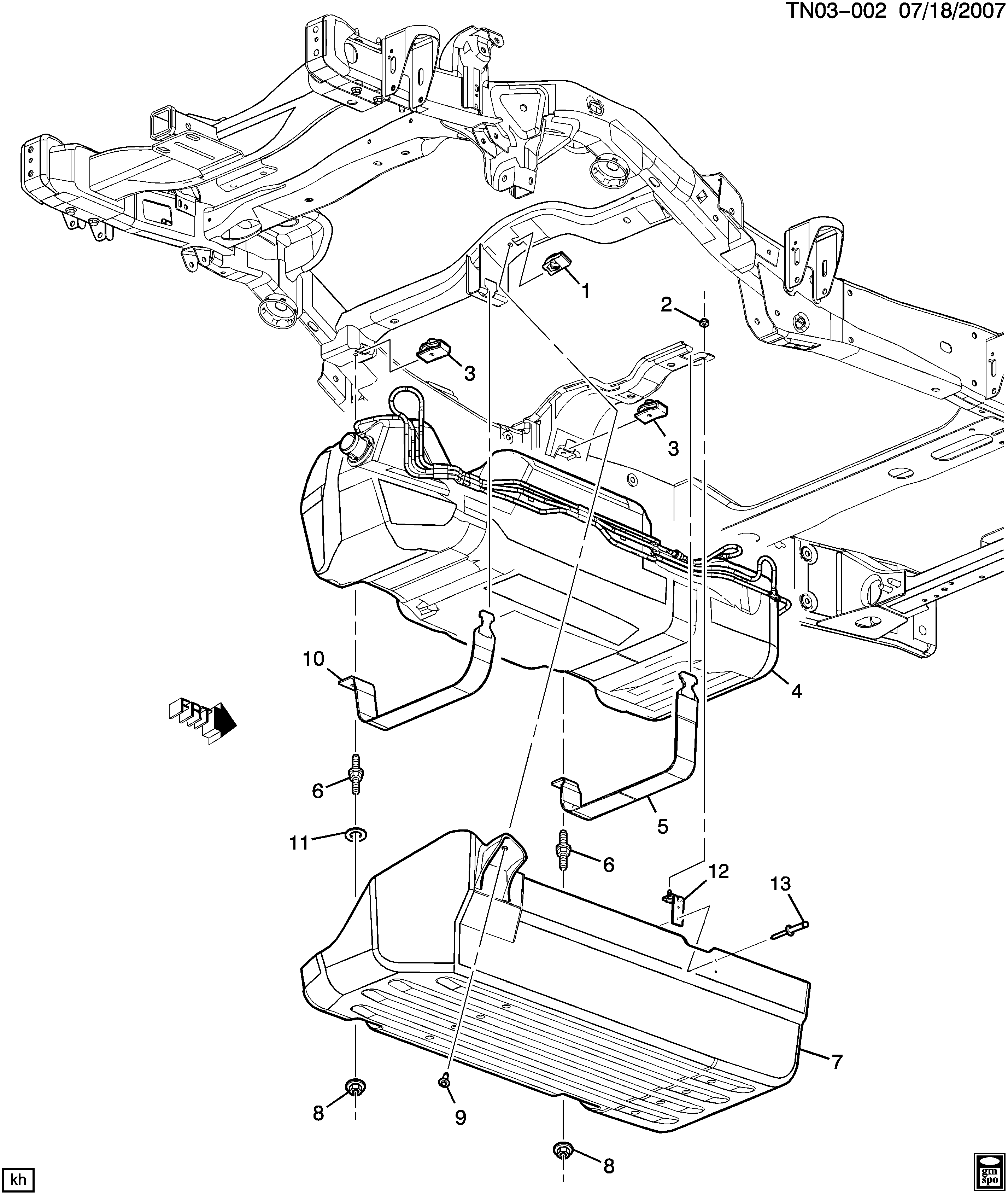
【1】11516149 NUT,U,8X1.25,MULTI THD,.08-4.0 THK PNL,PZ(ELEK BRK CONT MDL BRKT)
【9】11589407 BOLT, HWH, M8X1.25X35, 23.5 THD, 24 OD, 10.9, GMW3359, M-PT.(R/D HGE)
【2】11609411 Nut (m6x1x5.7mm) (hexagon-non-plated GMW3200) (8.917)
Features & Benefits
Replaces: 15062616, 15103954, 15175354