SWITCH,DR LK & SI WDO(INCLS MIRROR SWITCH)(*KIT1)(ACDelco #25976511)
Part number: 25976511
Brand: Hummer
Related parts
【22】11519031 Set, push-fit, 19.5x26.1x1.8, acetal diethanol, plain, foam sealant
【16】11561674 Bolt (bolt), brake pedal (washer radius is 11.77) (7.874)
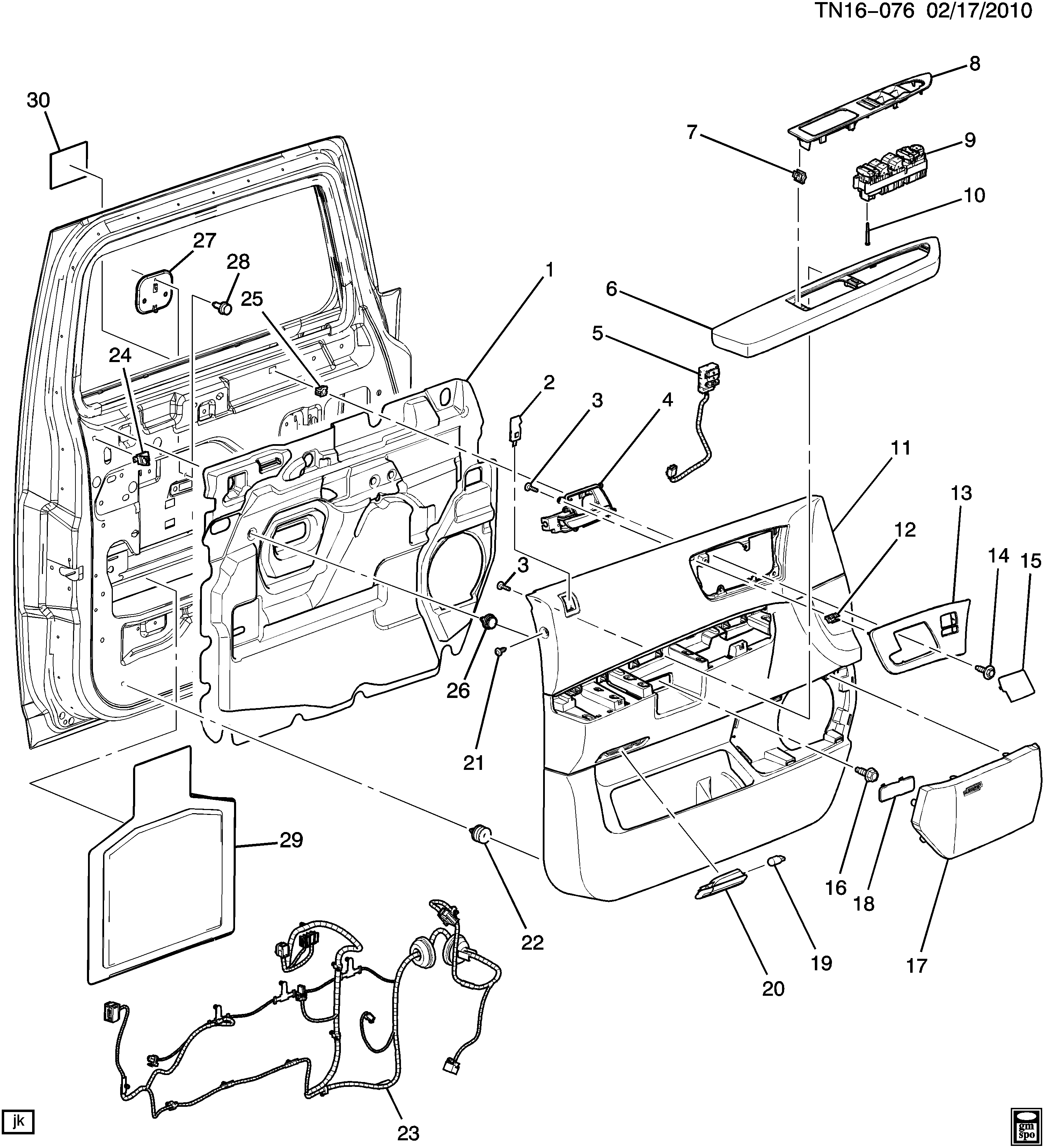
【26】11562256 RETAINER,FRT S/D T/PNL PAD(PART OF 1)(19.5MMX28.3MMX1.3MM)
【20】15021517 LAMP,FRT S/D CTSY(INCLS 13,14)(RED AND CLEAR)(INCLUDES SOCKET AND BULB)
【2】15844616 Handle, door lock rod, rh/lh
【21】22690838 RETAINER,FRT S/D T/PNL (PUSH IN)(EBONY)(23X12X12)(6.4-7MM HOLE)(14.683)
