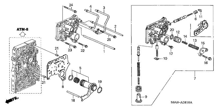
BODY ASSY,REGULAT
Part number: 27200PPW000
Price: USD 0.00 /Unit
Brand: Honda
Add to cart
Add to Watchlist
Related parts
【5】25155PRP000 SHAFT ASSY, STATOR
【9】27246PN6800 Cap, adjuster spring
【11】27524P6H000 Clip, accumulator lubrication check valve cap
【12】27561PRP000 PISTON,LOW ACCUM
【14】27564PRP000 SPG B,LOW ACCUM
【16】90001PRP000 Bolt 6X30, flange
【17】90089PK4000 BOLT, STOPPER 6MM
【18】90701PK4000 PIN,DOWEL 8X80
【20】91331PC9003 O-RING 21.2X2.4
【21】9430108140 Dowel, pin, 8X14
【22】957010604008 Bolt, flange 6X40
