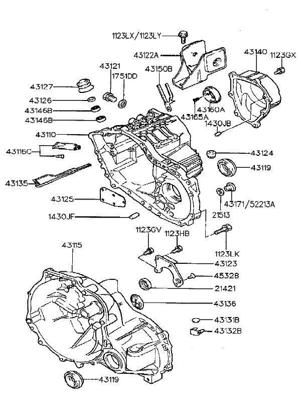
COVER-AIR BREATHER
Part number: 4312534001
Brand: 现代
Related parts
【1123GV】1123308201 BOLT
【1123GV】1123308203 BOLT
【1123GX】1123308251 BOLT - LWR ARM
【1123HB】1123308353 BOLT
【1123LK】1123410401 BOLT
【1123LK】1123410403 BOLT
【1123LX】1123412303 BOLT
【1123LY】1123412353 BOLT
【1430JB】1430305120 PIN-DOWEL
【1430JF】1430310200 PIN-DOWEL
【1751DD】1751116000 GASKET
【21513】2151311000 GASKET-OIL PLUG
【43115】4311534013 HOUSING-CLUTCH
【43119】4311928001 COVER-DUST,TRANSFER
【43121】4312111000 PLUG-MAGNET
【43126】4312634011 COVER-DUST,TRANSFER
【43131B】4313134000 MAGNET-TRANSAXLE CASE
【21421】4313434000 COVER-DUST,TRANSFER
【43146B】4314634060 BEARING-MNL T/A CASE
【43171】4317134002 PLUG-DRAIN
【45328】4532838000 BOLT
【43116C】4C11634000 Gasket-liquid
