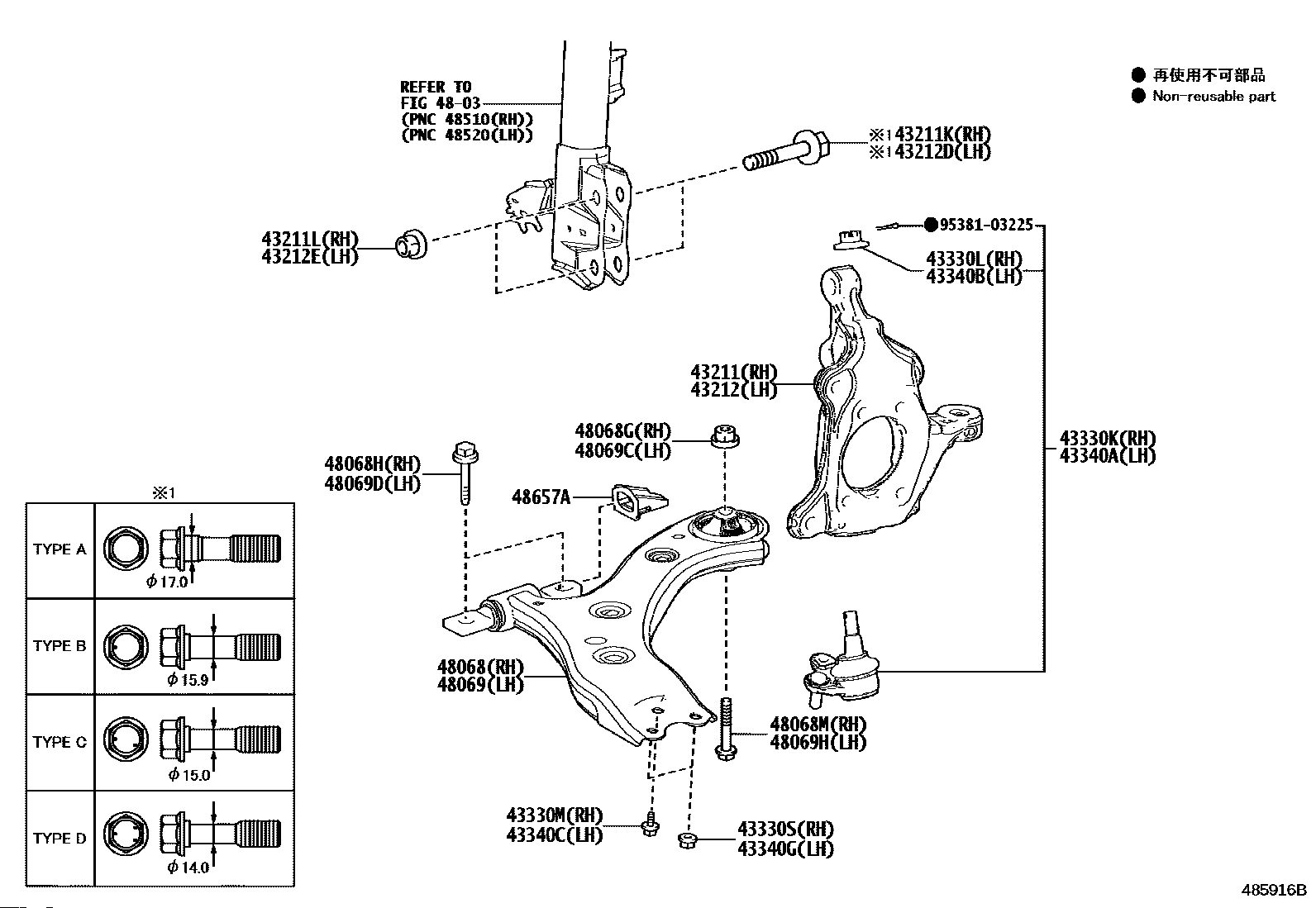
KNUCKLE SUB-ASSY
Part number: 43201-48020
Brand: 丰田
Related parts
【48657A】4865728010 STOPPER, FRONT LOWER ARM BUSH
【43340C】9010512407 BOLT (FOR FRONT LOWER BALL JOINT),RH/LH
【48069D】9010516092 CLAMP OR CLIP(FOR FUEL HOSE NO.1)
【43212D】9010517013 BOLT (FOR ABSORBER SETTING),RH/LH
【43212D】9010517014 BOLT (FOR ABSORBER SETTING),RH/LH
【43212D】9010517015 BOLT (FOR ABSORBER SETTING),RH/LH
【43212D】9010517021 BOLT (FOR ABSORBER SETTING),RH/LH
【48069H】9011914180 BOLT(FOR FRONT SUSPENSION LOWER ARM NO.1),RH/LH
【43340B】9017114017 NUT CASTLE
【43340G】9017812019 NUT (FOR FRONT LOWER BALL JOINT),RH/LH
【43212E】9017817002 NUT (FOR REAR AXLE CARRIER),RH/LH
【48069C】9017914068 DIRECT, RH/LH
