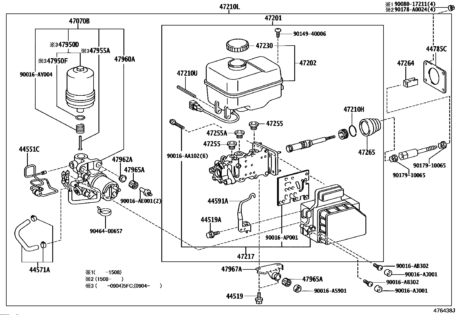
Solenoid, master cylinder
Part number: 4721704150
Brand: Toyota
Related parts
【47255A】3141735010 Grommet, master cylinder reservoir, no.2
【44519A】4451924020 Bolt, brake actuator
【47201】4702504120 CYLINDER SUB-ASSY, BRAKE MASTER
【47201】4720104170 CYLINDER SUB-ASSY, BRAKE MASTER *USA*
【47202】4722004060 RESERVOIR SUB-ASSY, BRAKE MASTER CYLINDER
【47202】4722042100 RESERVOIR ASSY
【47230】4723001030 CAP ASSY RESERVOIR
【47230】4723020140 CAP ASSY RESERVOIR
【47230】4723024010 CAP ASSY RESERVOIR
【47230】4723047090 CAP ASSY RESERVOIR
【47230】4723060210 CAP ASSY RESERVOIR
【47255】4725516010 GROMMET, MASTER CYLINDER RESERVOIR
【47264】4726460020 CLEVIS, BRAKE MASTER CYLINDER PUSH ROD
【47965A】4796530010 Bush, brake booster pump
【47210U】9002915803 Pin straight
【47255】9002948001 GROMMET, MASTER CYLINDER RESERVOIR
【47265】9002970001 BOOT, MASTER CYLINDER
