Factories
Cart
Help
Sign In
Home
Factories
Cart
Sign In
Home
Car Parts
Electrical Parts
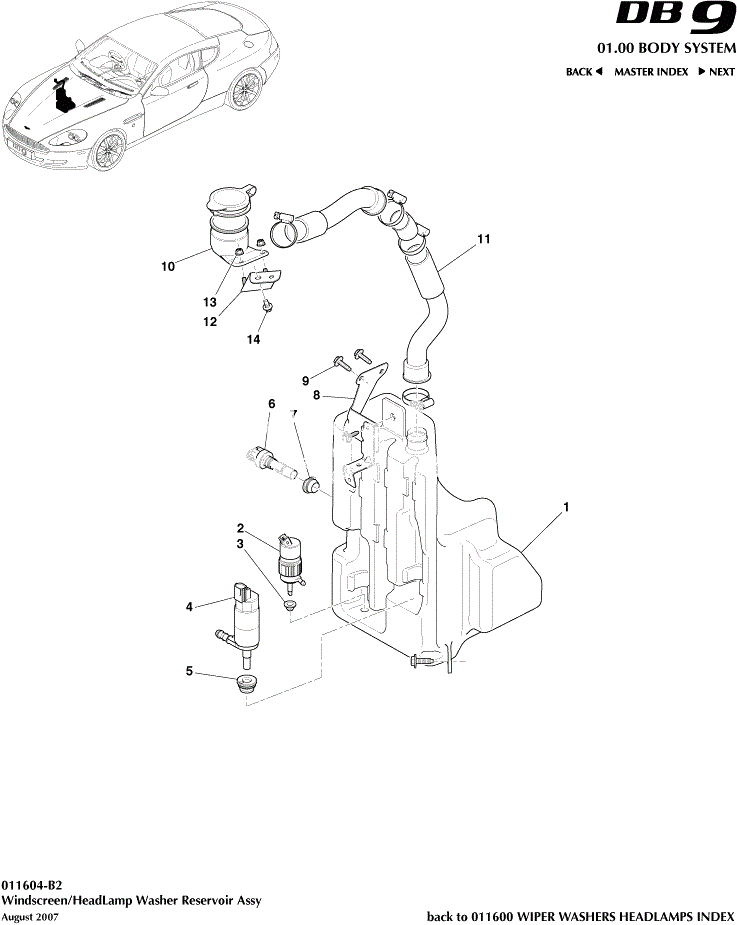
4G4313K175ABPIA01
Filler Neck Tube
Part number: 4G4313K175ABPIA01
Price:
USD 13.20
/Unit
Brand:
Aston Martin
Add to cart
Add to Watchlist
Details
Features & Benefits