Factories
Cart
Help
Sign In
Home
Factories
Cart
Sign In
Home
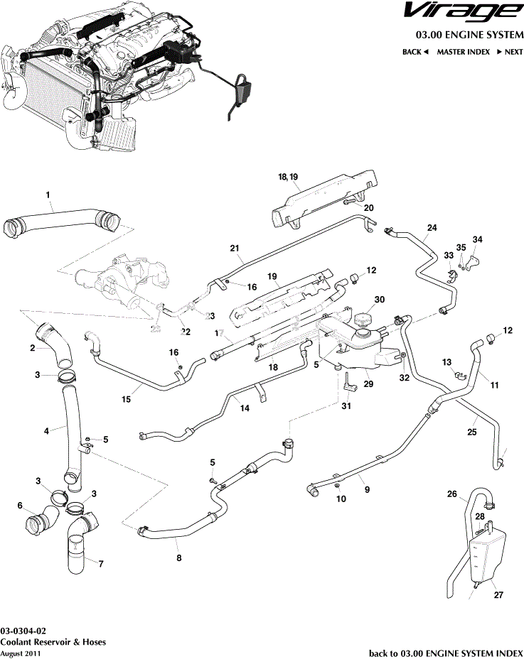
Car Parts
Engine System
4G438003CF
Hose, thermo housing crossover bleed
Part number: 4G438003CF
Price:
USD 17.60
/Unit
Brand:
Aston Martin
Add to cart
Add to Watchlist
Details
Features & Benefits