Brand: 雷克萨斯
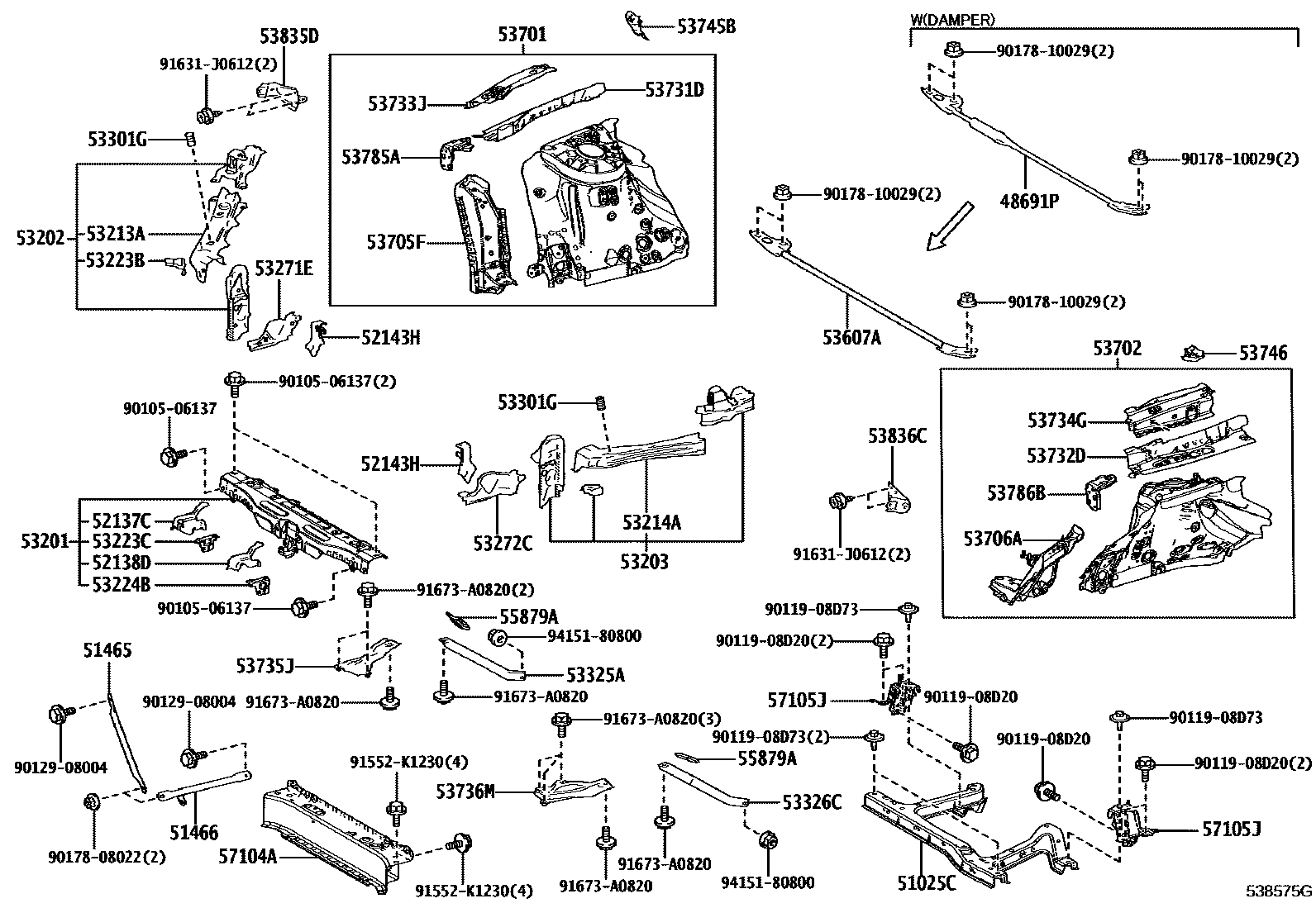
【53201】5320146050 SUPPORT SUB-ASSY, RADIATOR
【53202】5320246030 SUPPORT SUB-ASSY, RADIATOR, RH
【53203】5320346030 SUPPORT SUB-ASSY
【53272C】5327246010 BRACKET, HEADLAMP MOUNTING, LH
【53326C】5332646010 SEAL, ENGINE UNDER
【57104A】5710442100 MEMBER SUB-ASSY, FRONT CROSS
【53301G】9054115034 Cushion, rear bumper step
Features & Benefits