Factories
Cart
Help
Sign In
Home
Factories
Cart
Sign In
Home
Car Parts
Body Parts
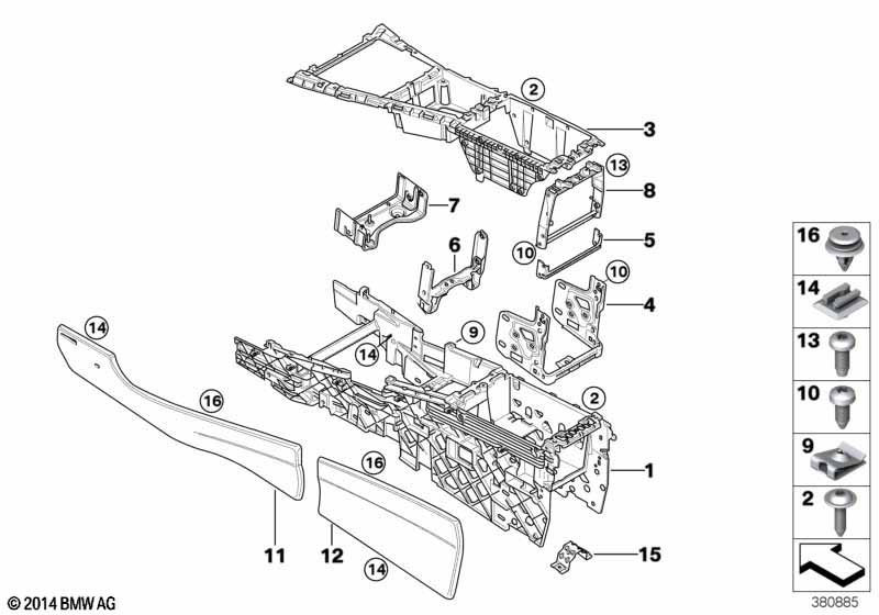
51166973499
Console rr lh
Part number: 51166973499
Price:
USD 20.00
/Unit
Brand:
BMW
Add to cart
Add to Watchlist
Details
Features & Benefits
Replaces:
A0025842482