Factories
Cart
Help
Sign In
Home
Factories
Cart
Sign In
Home
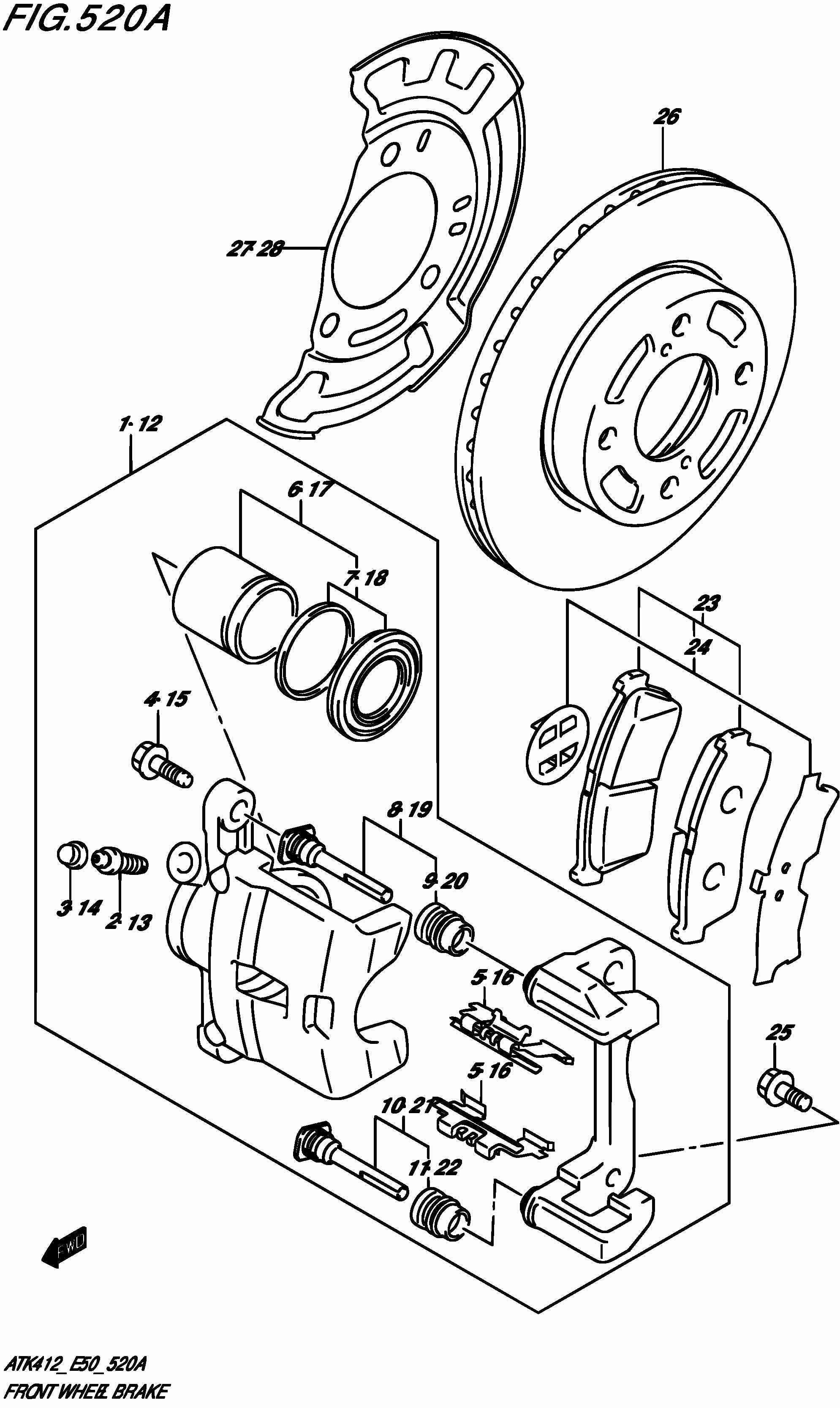
Car Parts
5581081P01
PAD SET
Part number: 5581081P01
Price:
USD 0.00
/Unit
Brand:
铃木
Add to cart
Add to Watchlist
Details
Features & Benefits