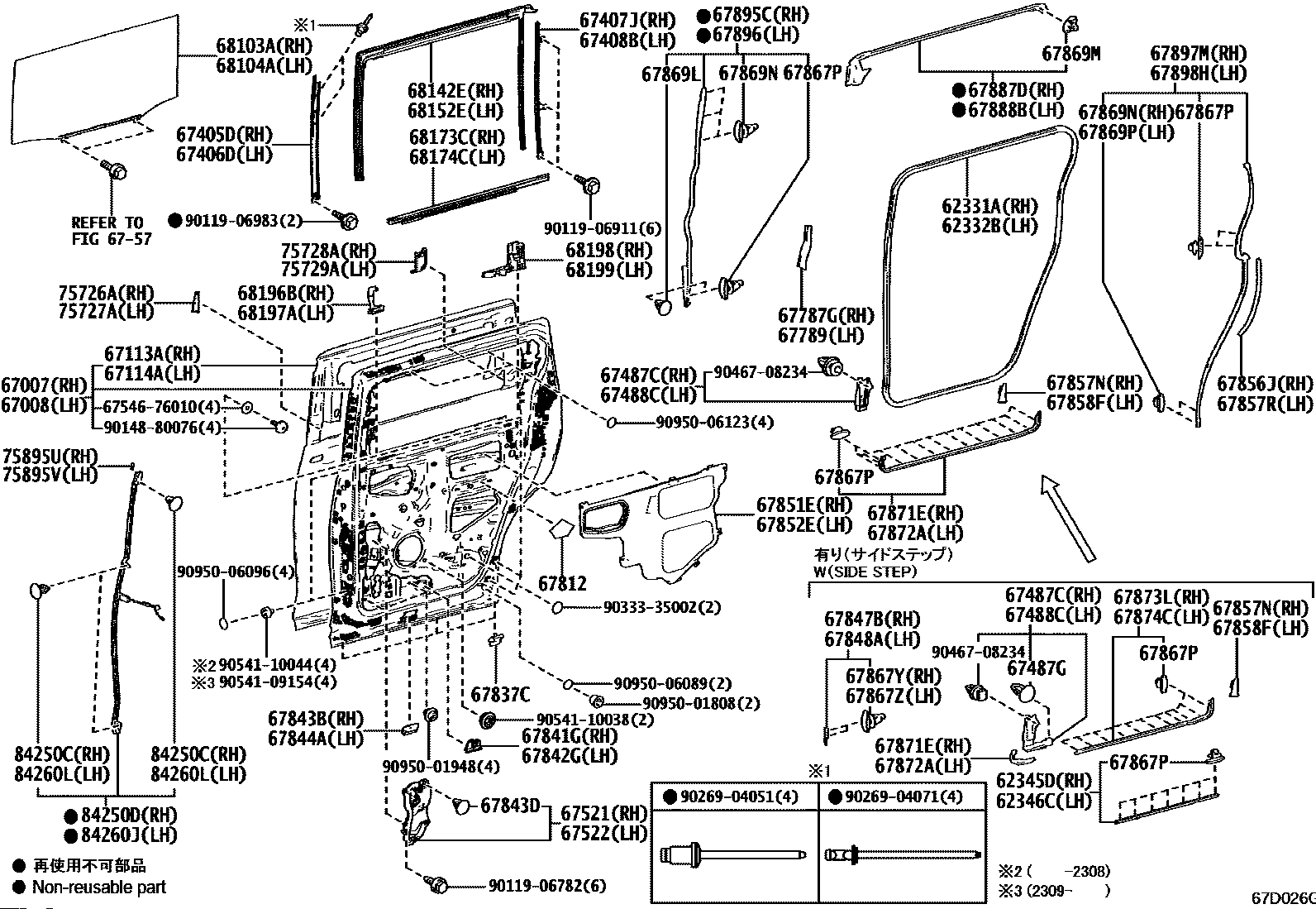
WEATHERSTRIP, REAR DOOR OPENING TRIM, RH
Part number: 62331-V2020
Brand: 雷克萨斯
Related parts
【62332B】62332V2020 WEATHERSTRIP RR
【67407J】67407V2020 SEAL, ENGINE UNDER
【67408B】67408V2020 SEAL, ENGINE UNDER
【67787G】67787V2010 SEAL, ENGINE UNDER
【67789】67789V2010 SEAL, ENGINE UNDER
【67856J】67856V2020 SEAL, ENGINE UNDER
【67857R】67857V2040 SEAL, ENGINE UNDER
【84260L】6786926050 CLIP, REAR DOOR WEATHERSTRIP
【67895C】67895V2020 WEATHERSTRIP, RR
【67897M】67897V2020 SEAL, ENGINE UNDER
【67898H】67898V2020 SEAL, ENGINE UNDER
【75726A】75726V2020 BOLT - LWR ARM
【75727A】75727V2020 SEAL, ENGINE UNDER
【75728A】75728V2020 SEAL, ENGINE UNDER
【75729A】75729V2020 BOLT - LWR ARM
【67869P】9046704034 CLIP, RH/LH
【67843D】9046706205C0 CLIP(FOR FRONT FENDER SEAL),RH/LH
【67487G】9046710005C0 CLIP
