Cover, pipe end
Part number: 79029-S5D-A01
Brand: Honda
Related parts
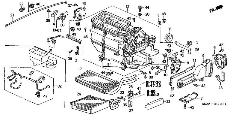
【5】79027S5DA01 CASE EXP/V COVER
【12】79106S5DG91 HEATER SUB ASSY
【19】79160S5AA01 MOTOR ASSY TEMP
【19】79160S5DA01 MOTOR ASSY TEMP
【22】79770SE0000 GROM W/V CABLE
【26】80215S5DG01 EVAPORATOR COMP
【28】80220S5AG02 EXPANSION VALVE S
【28】80220SDET01 EXPANSION VALVE S
【31】80560S5A941 Sensor assy., evaporator
【33】80871ST7000 GLASSCOMP,SIGHT
【35】80872ST7000 GLASSCOMP,SIGHT
【44】90105SL4000 BOLT WASH M6X20
【38】90121S5A003 Screw, tapping, 4X12
【41】90126S5A003 Socket bolt 5X40
【42】90127SX0003 Screw, tapping, 4X16
【43】90133SR3003 Screw, wash 4X16
【44】90156SH3000 Bolt, wash.6x24
【46】90860SA5003 Plug, hole 16mm
