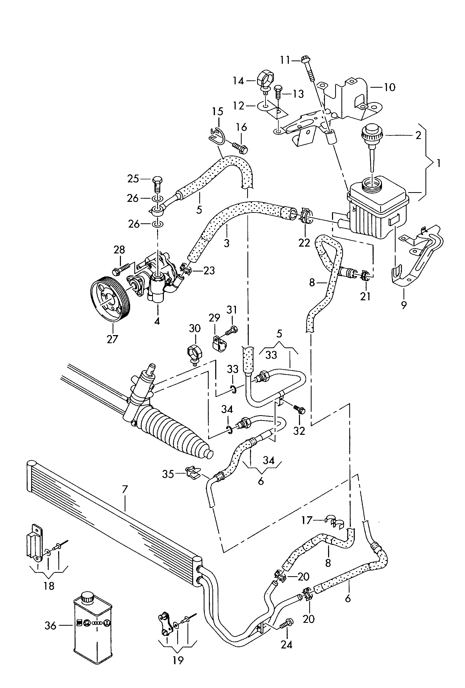
Extn hose-vane pump to strg
Part number: 7L8-422-893BP
Brand: Audi
Related parts
【35】1K0971818 Sealing ring-cable strap
【33】7L0422999 SEAL
【19】7L0498849 Bracket, oil cooler
【18】7L0498871 Bracket, oil cooler
【6】7L6422891B Hose assy-return (cooling pipe)
【7】7L8422885A OIL COOLER/AUDI A6/A7/A8
【5】7L8422893BN From vane pump to strg Hose, extension
【34】7M0422999 SEAL
【36】G004000M2 HYDRAULIC FLUID-1L-GREEN
【36】G004000M7 HYDRAULIC FLUID-1L-GREEN
【36】G004000M8 HYDRAULIC FLUID-1L-GREEN
【29】N0206015 CLIP
【32】N10156305 BOLT
【20】N10197601 Clip-hose with ear
【25】N10226103 BOLT KIT/AUDI-A3/A4/1994-03
【24】N10451404 BOLT
【12】N10521201 CLIP
【11】N10530303 SCREW
