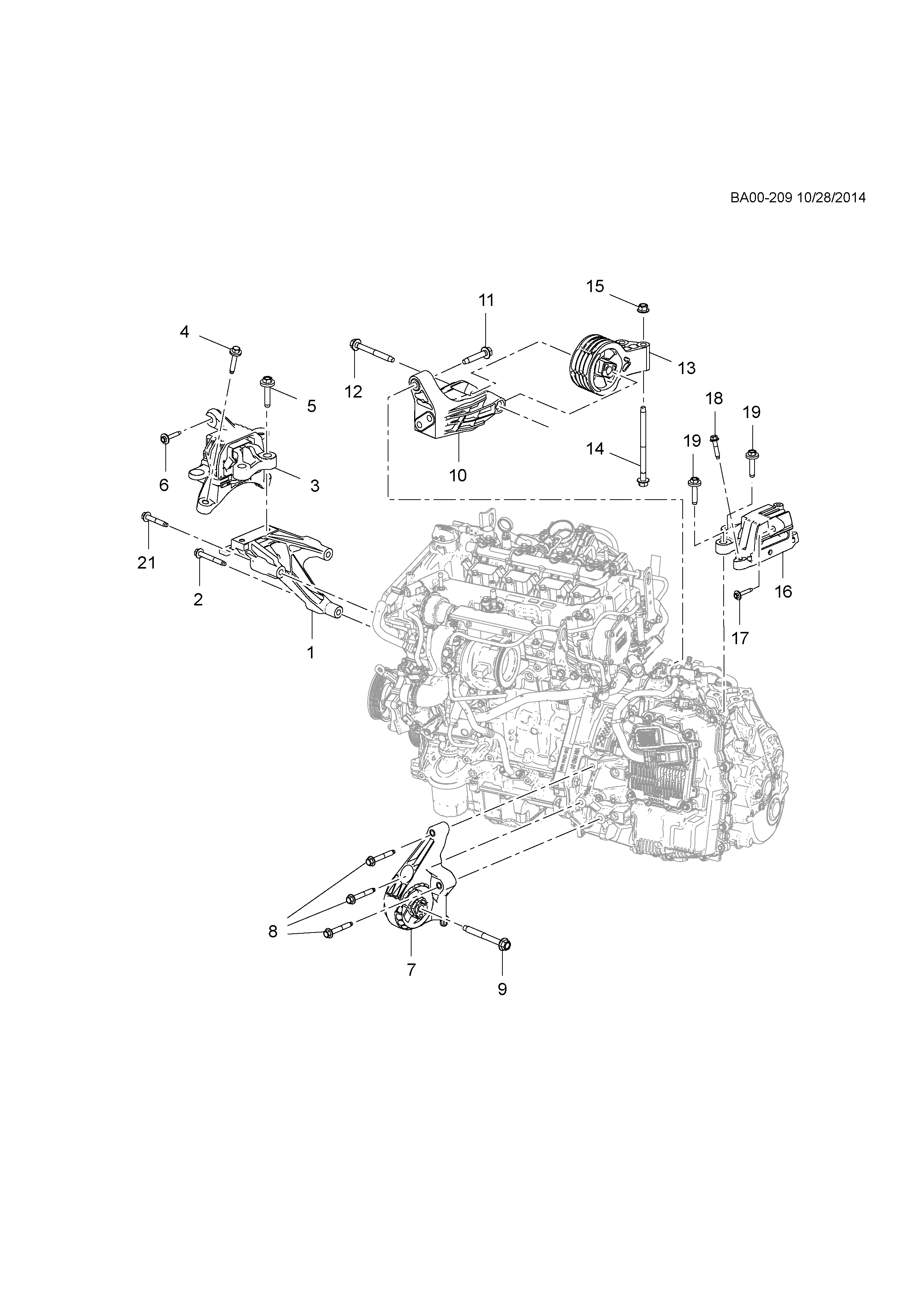
Engine mounting
Part number: 84160404
Brand: Buick
Related parts
【017】11519527 Bolt (to wheel housing) (M8 * 1.25*45) (to bracket) (4.085)
【015】11546367 Nut (M12X1.75 mm) (lock nut) (6 )
【019】11547918 Engine mount bolt (service: bolt replacement if loose) (M12X1.75X61 mm) (4.085)
【004】11570514 Bolt, gear box mounting (M10X1.5X61 mm) (0.002)
【018】11588742 Bolt, hex flange, M10X1.5X50, 26 threaded, 22.3 o/d, 10.9 steel, GMW3359, M-PT (engr
【008】11588746 WASHER
【002】11588748 Bolt, generator (M10X1.5X80.75 mm)
【021】11588750 Bolt (M10X1.5X90.75 mm)
【011】11589277 Bolt (M12X1.75X65.9) (5.387)
【012】11589281 Bolt (M12X1.75X105.9 mm)
【012】11610916 Bolt, lower control arm (* see PERM remark) (M12X1.75X110) (5.383)
