Factories
Cart
Help
Sign In
Home
Factories
Cart
Sign In
Home
Car Parts
Engine System
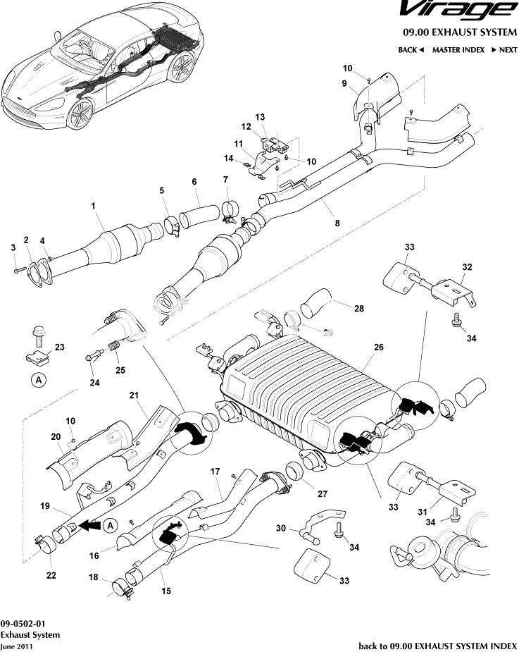
8D335230BF
REAR MUFFLER & BYPASS VALVE ASSY
Part number: 8D335230BF
Price:
USD 1400.00
/Unit
Brand:
Aston Martin
Add to cart
Add to Watchlist
Details
Features & Benefits