Brand: 欧宝
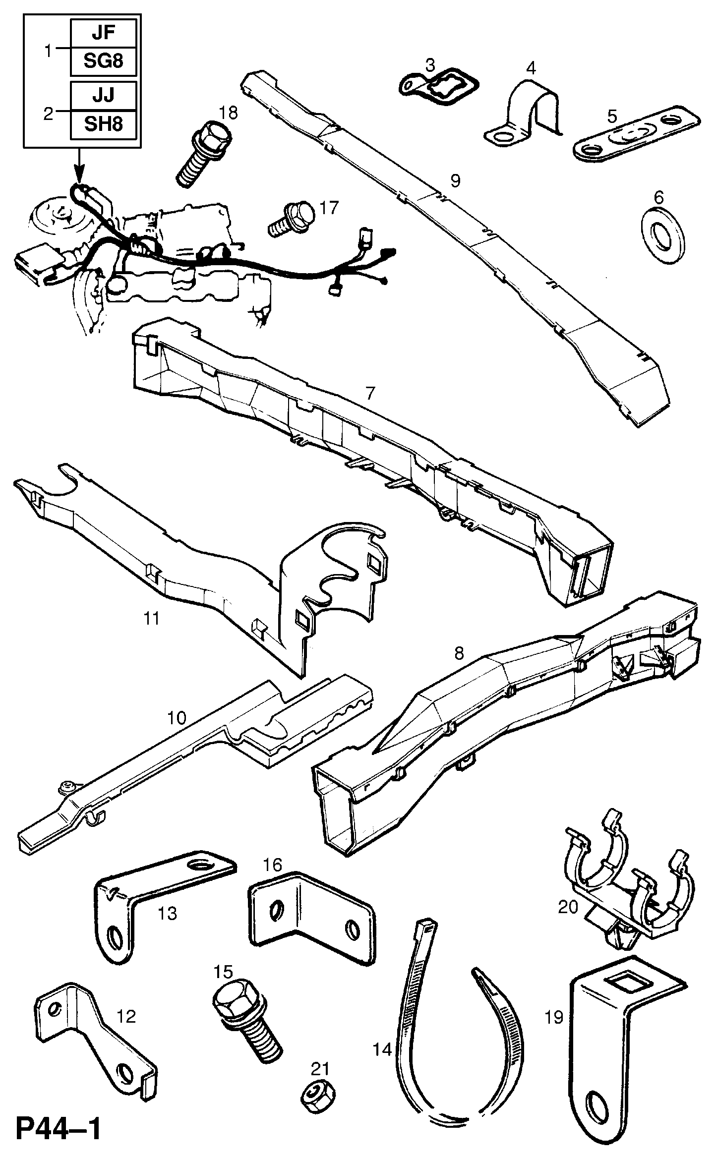
【6】11010091 SEAL, ENGINE UNDER
【14】90039907 Band (for part 20), m/t cont control lever
【19】90414780 Bracket, oxygen sensor connector setting (90414780*92089917) (2.559)
Features & Benefits