Factories
Cart
Help
Sign In
Home
Factories
Cart
Sign In
Home
Car Parts
Engine System
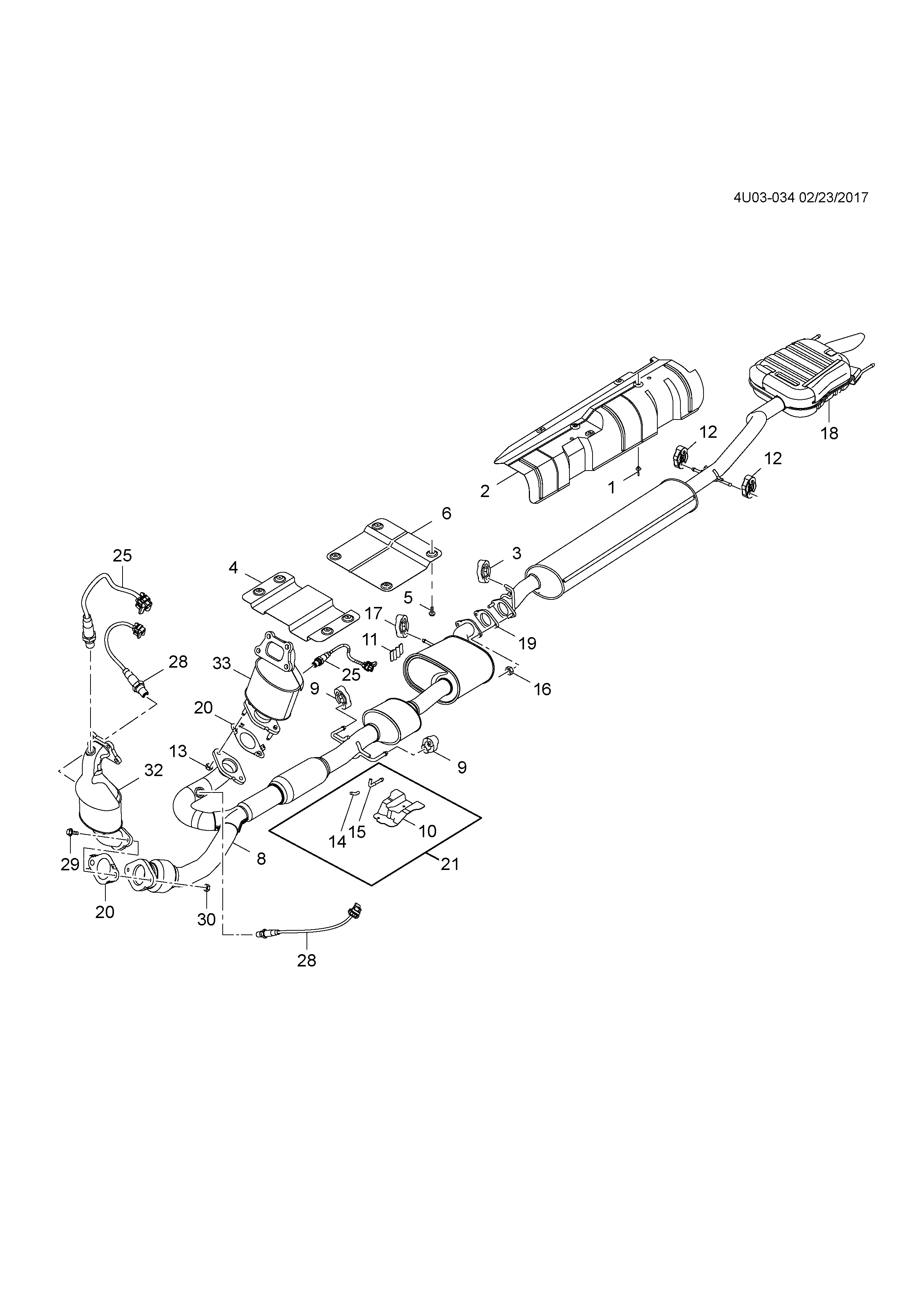
90871958
Pipe, exhaust (incl. 9,17)
Part number: 90871958
Price:
USD 345.40
/Unit
Brand:
Buick
Add to cart
Add to Watchlist
Details
Features & Benefits
Replaces:
9038793, 9062888