Brand: 欧宝
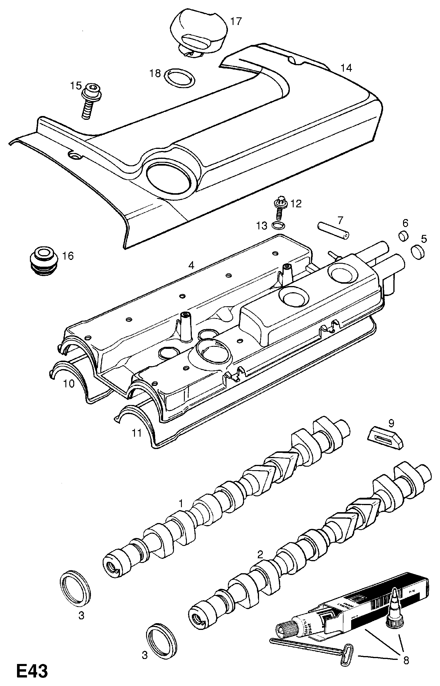
【12】11093961 Bolt, intake manifold arm (M6X16 mm) (1.428)
【12】11099521 Bolt (part 1) (M6X25 mm)
【13】90411826 Bolt, seal (o-ring) (part 6)
【8】90485251 BOLT - LWR ARM
Features & Benefits