Brand: Porsche
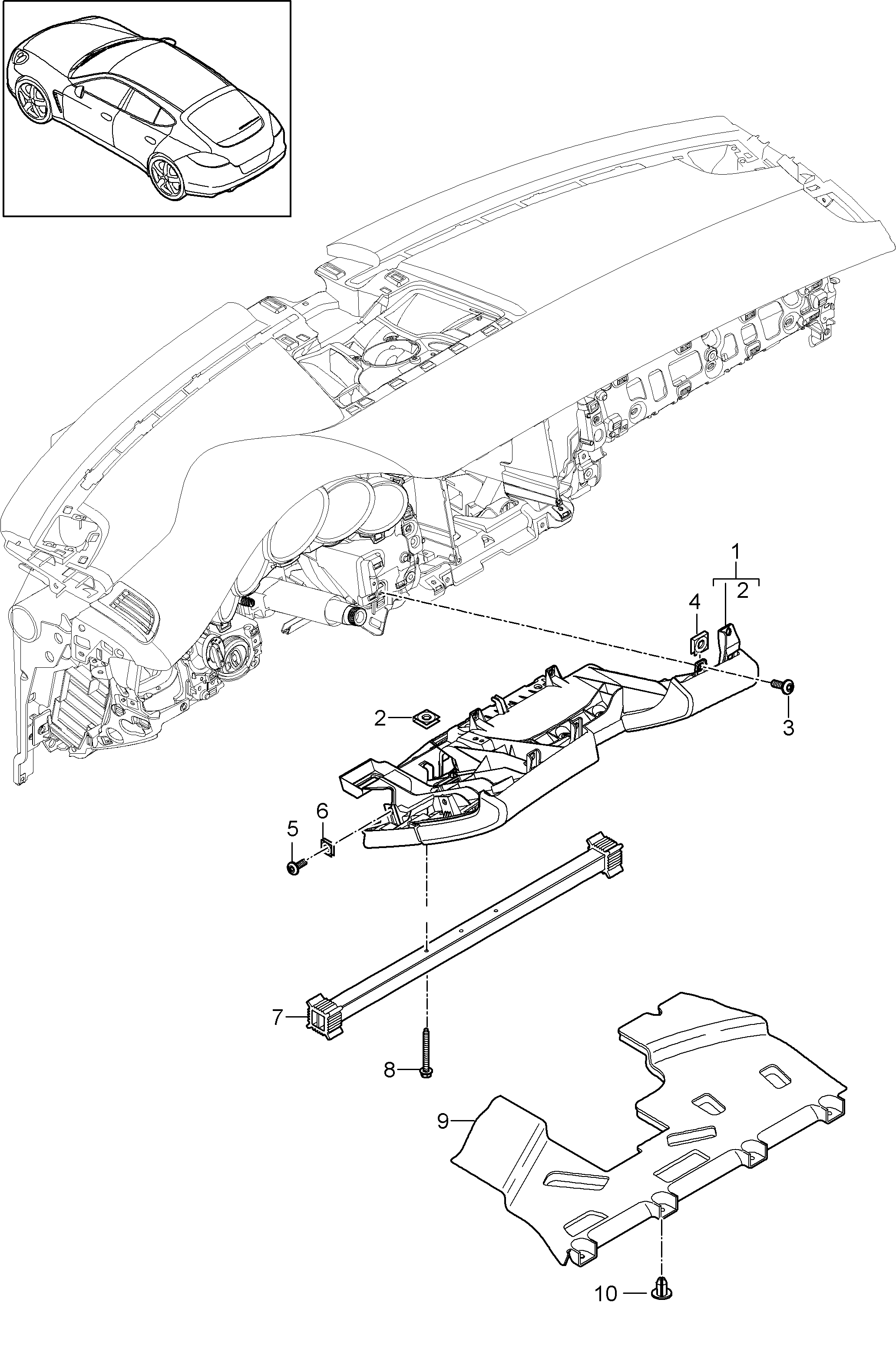
【1】97055220103 Panel, instrument Piece assy-lwr
【1】970552201037P8 Dashboard lwr piece black
【1】970552201038ED Panel, instrument Lower (luxor beige)
【1】970552201047H0 Panel, instrument Piece assy-lwr Genuine leather-red
【9】97055241101 Finisher driver seat lower-PDK- Tiptronic
【3】99907349801 Bolt, obk head
【5】99907349901 Bolt, obk head
【6】99950706703 Plate nut
【4】99950755601 Plate nut
【10】99950761640 NUT
Features & Benefits
Related Factories
Danyang Shihe Vehicle Parts Co., Ltd.
Changzhou Kaifeng Vehicle Parts Co., Ltd.
Toyo (Changzhou) Auto Parts Co., Ltd.
Nanjing Jiujiu EFI parts wholesale (contact before placing an order)
Changzhou Mu Sheng Vehicle Parts Co., Ltd.