Factories
Cart
Help
Sign In
Home
Factories
Cart
Sign In
Home
Car Parts
Body Parts
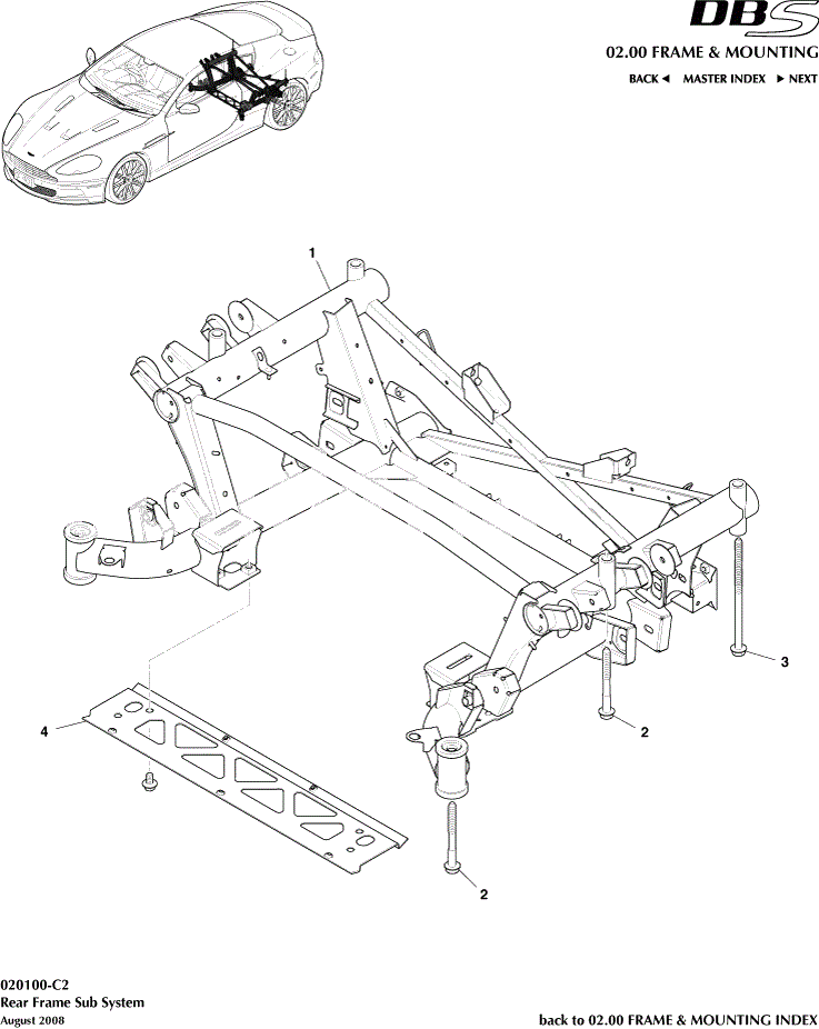
AD335R003AD
Subframe assy, Rear
Part number: AD335R003AD
Price:
USD 15.40
/Unit
Brand:
Aston Martin
Add to cart
Add to Watchlist
Details
Features & Benefits