Brand: 雷克萨斯
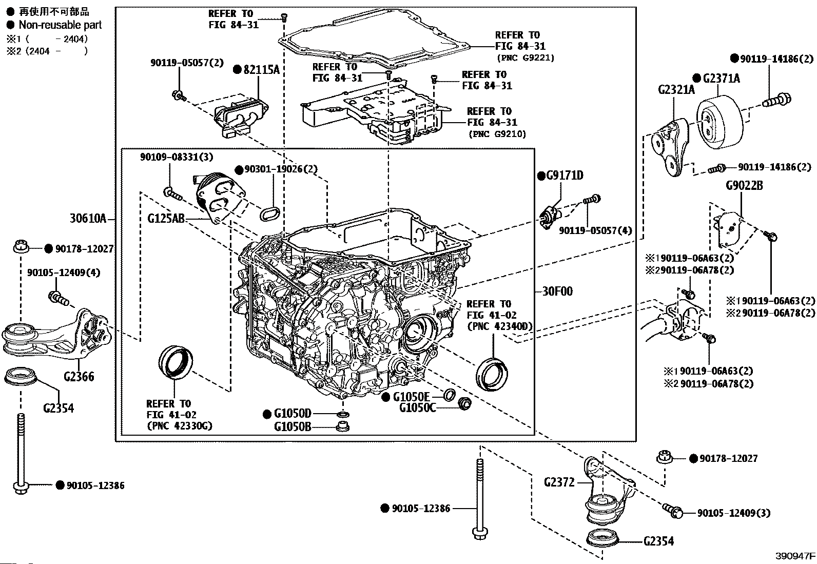
【30F00】3060048020 SEAL, ENGINE UNDER
【G1050B】9034118016 PLUG SUB-ASSY, DRAIN (ATM)
【G1050C】9034118023 CLAMP OR CLIP(FOR FUEL HOSE NO.1)
【G1050B】9034118051 PLUG (FOR FRONT DIFFERENTIAL DRAIN)
【G1050E】9043018008 CLAMP OR CLIP(FOR FUEL HOSE NO.1)
Features & Benefits