SEAL, ENGINE UNDER
Part number: G922D48020
Brand: 雷克萨斯
Related parts
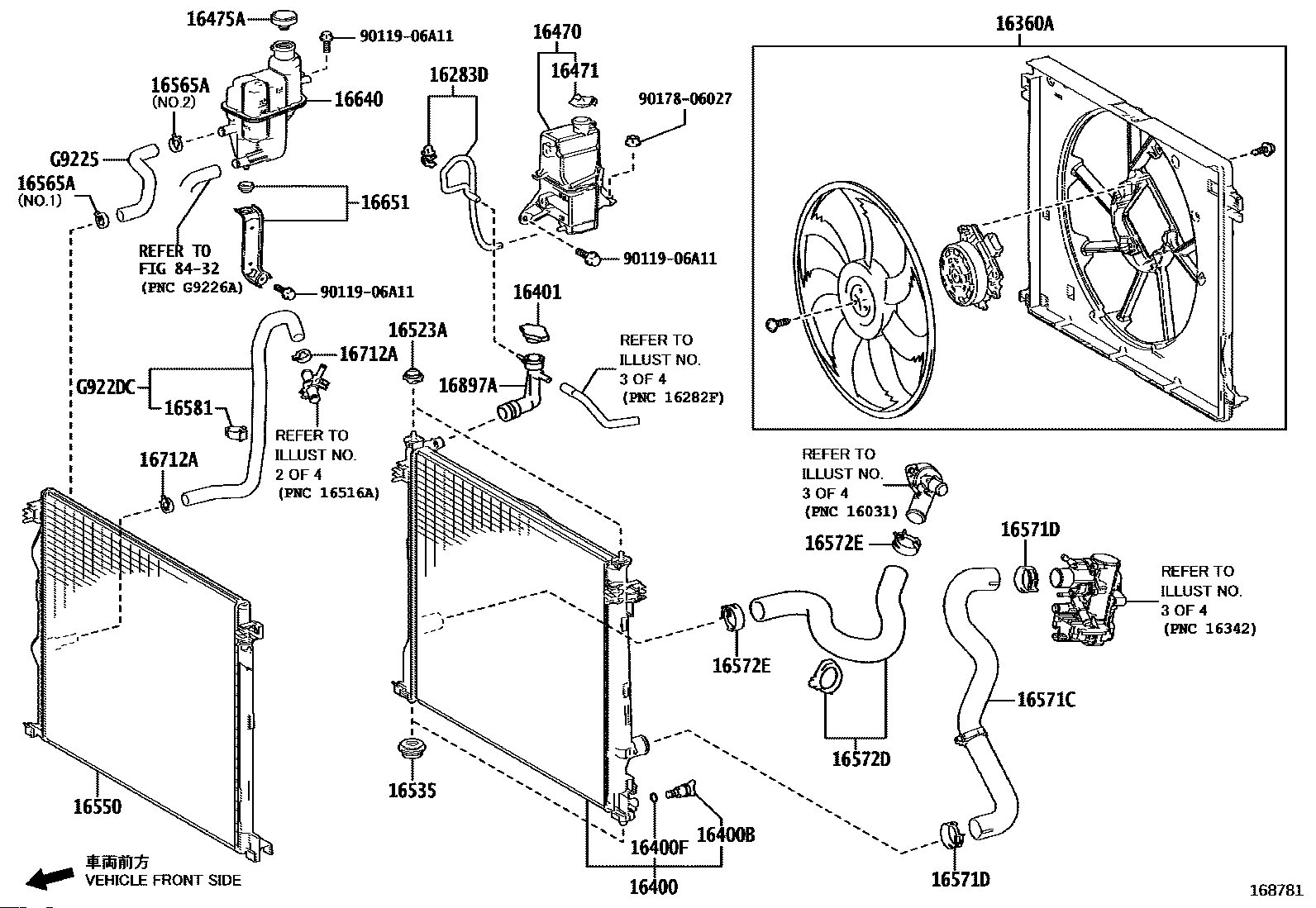
【16360A】1636025060 FAN ASSY, W/MOTOR
【16400】1640025200 RADIATOR ASSY
【16401】1640136030 Cap sub-assy, radiator
【16400B】1641721280 COCK SUB-ASSY
【16470】1647025060 RESERVE TANK ASSY
【16471】1647123010 CAP SUB-ASSY, RESERVE TANK
【16475A】1647528140 CAP, RESERVE TANK
【16400F】1649221050 PACKING
【16523A】1652325010 CUSHION, RADIATOR
【16535】1653528030 SUPPORT, RADIATOR, LOWER
【16535】1653528060 SUPPORT, RADIATOR, LOWER
【16550】1655025030 RADIATOR ASSY
【16571C】1657125170 HOSE, RADIATOR, NO.1
【16571C】1657125190 HOSE, RADIATOR, NO.1
【16572D】1657225110 HOSE RADIATOR NO.2
【16572D】1657225120 HOSE RADIATOR NO.2
【16572E】9046639002 CLAMP OR CLIP, HOSE(FOR RADIATOR INLET)
【16572E】9046643002 CLIP, HOSE
【16565A】9613842501 CLIP, HOSE
【16712A】9613842701 CLAMP OR CLIP(FOR FUEL HOSE NO.1)
【16640】G910G42010 BOLT - LWR ARM
【16651】G91H242010 BRACKET, INVERTER
