Factories
Cart
Help
Sign In
Home
Factories
Cart
Sign In
Home
Car Parts
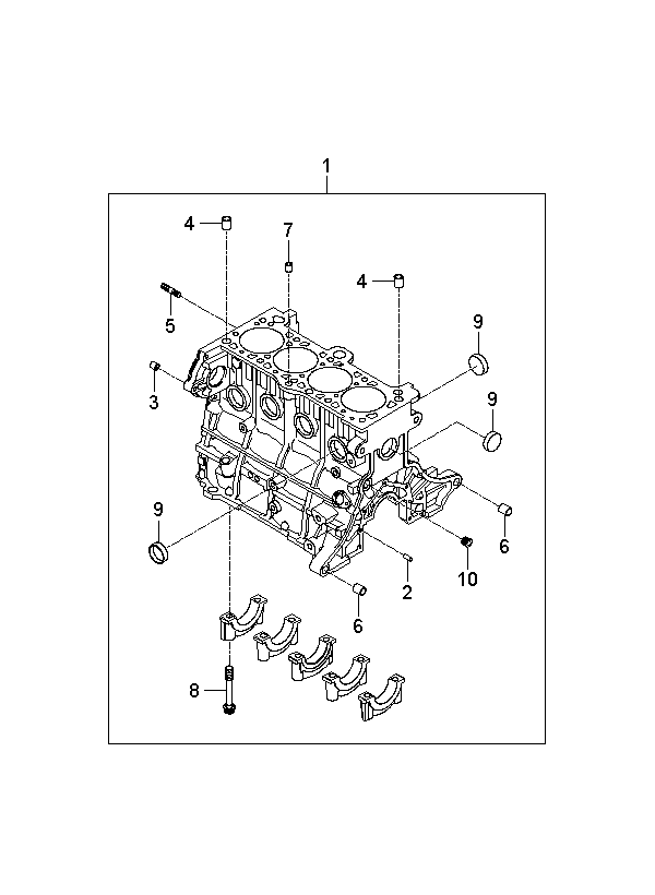
K051Z10310
BLOCK ASSY-CYLINDER
Part number: K051Z10310
Price:
USD 0.00
/Unit
Brand:
起亚
Add to cart
Add to Watchlist
Details
Features & Benefits
Compatibility Vehicles:
Pride, Rio