Brand: 奥迪
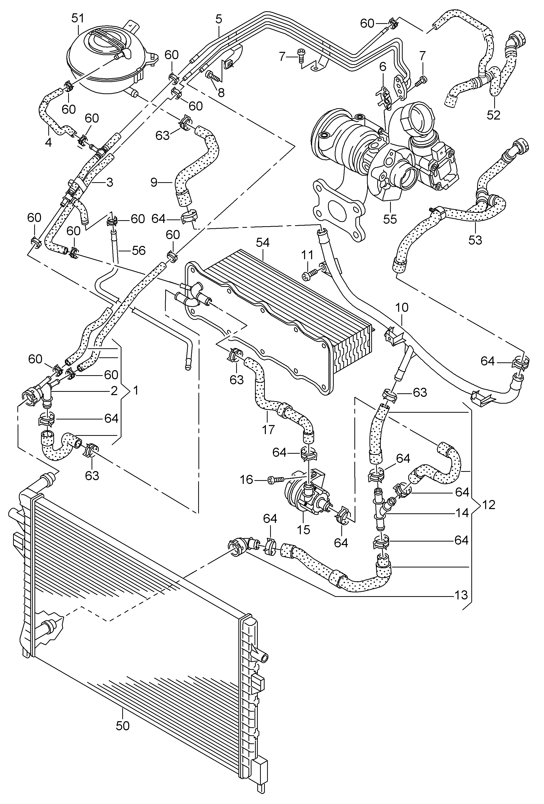
【6】04E121687 Grommet
【14】1K0121087Q Distributer
【13】1K0122291BN RADIATOR HOSE CNCTNG CLIP
【2】5Q0122291AM RADIATOR HOSE CNCTNG CLIP
【10】L04E121070AE Coolant pipe
【5】L04E121497M Coolant pipe
【3】L04E122447AF Coolant hose
【15】L5G0965567A Water pump
【17】L5Q0122063G Coolant hose
【1】L5QD122101B WATER HOSE
【7】LN10405604 Bolt, hexagon
【11】LN10714801 Bolt, hexagon
【8】N10456201 BOLT
【16】N10571404 Bolt, hexagon
【60】N90686701 Clip-band
【63】N90686902 Clip-band
【64】N90687001 Clip-band
Features & Benefits
Related Factories
Anhui Zhouyang Auto Parts Co., Ltd.
Cangzhou Yuefa International Trade Co., Ltd.
Changzhou Chijunan Vehicle Parts Manufacturing Co., Ltd.
Changzhou Dinghao Vehicle Parts Co., Ltd.
Changzhou Fengyoute Vehicle Parts Co., Ltd.