BEZEL,COMBINATION METER
Part number: MR506452
Brand: 三菱
Related parts
【73976B】MB135995 NUT,FUEL FILLER LID LOCKIN
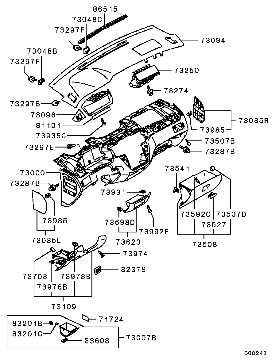
【73541】MB326033 STOPPER,GLOVEBOX
【73297F】MB409437 SCREW-TAPPING
【73297F】MB409438 SCREW-TAPPING
【73297E】MF453033 SCREW,INSTRUMENT PANEL MET
【73992E】MF453093 SCREW,FUEL FILLER LID LOCK
【73974】MF453394 SCREW,SUNVISOR
【82378】MR402645 Bracket, instrument panel switch
【73985】MR402859 CLIP,FLOOR CONSOLE
【73035L】MR626744 COVER,INSTRUMENT PANEL SIDE,LH
【73035R】MR626745 COVER,INSTRUMENT PANEL SIDE,RH
【73623】MR626784 PANEL,I/PNL CONSOLE
【73000】MR633550 PANEL,INSTRUMENT
【73109】MR633551 PANEL,INSTRUMENT,LWR
【73096】MR654262 PANEL,INSTRUMENT CON
【73287B】MS240141 BOLT, INSTRUMENT PANEL
【83201B】MS810878 FUSE,CHASSIS WIRING
【83201C】MS810969 FUSE,CHASSIS WIRING
