SEAL, ENGINE UNDER
Part number: 13248550
Brand: 欧宝
Related parts
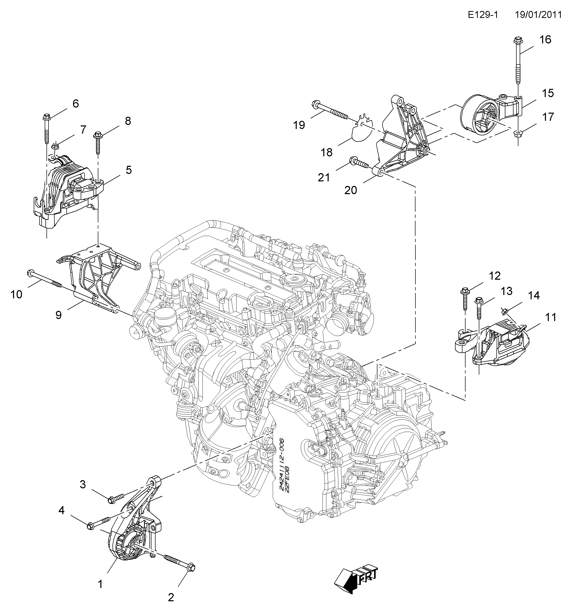
【14】11514597 NUT,HFH,10X1.5 THD, 9.8 THK, 21.8 OD, 510M (10) ZF 7111M(A/TRNS RANGE SEL LVR)(2
【17】11514598 Nut, transmission side (M12X1.75 mm) (8.915)
【12】11570514 Bolt, gear box mounting (M10X1.5X61 mm) (0.002)
【13】11588742 Bolt, hex flange, M10X1.5X50, 26 threaded, 22.3 o/d, 10.9 steel, GMW3359, M-PT (engr
【4】11588747 Bolt, gear box mounting (M10X1.5X75.75 mm) (6.056)
【10】11588757 Bolt, hexagon flange, M10X1.5X125, o/d 22.3, thread 26,10, GMW3359, 8mat POINT
【21】11589276 Bolt (M12X1.75X55.8MM) (hexagon) (4.081)
【2】11589281 Bolt (M12X1.75X105.9 mm)
【19】11589283 Bolt (M12X1.75X125.90 mm), rr. transmission
【16】11589284 Bolt-lwr tie frame to transaxle
【9】13248477 SEAL, ENGINE UNDER
【11】13248548 TRANSMISSION MOUNTING
【1】13268880 Mounting, transmission front
