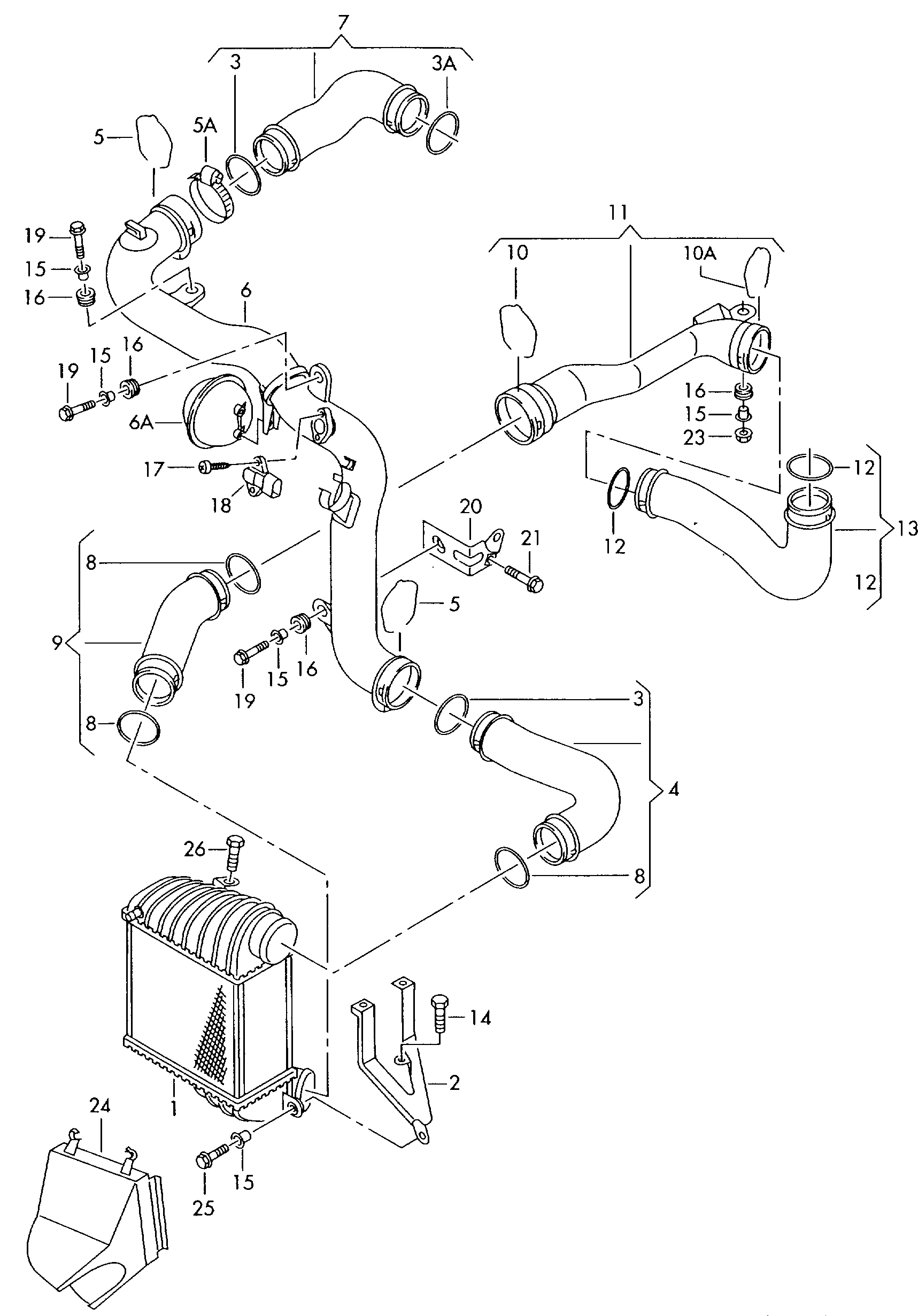
HOSE
Part number: 1J0145838T
Price: USD 0.00 /Unit
Brand: 大众
Add to cart
Add to Watchlist
Related parts
【10A】1J0145769 Clip
【3A】1J0145769B Clip
【10A】1J0145769F Clip
【2】1J0145808C BRACKET-ENGINE SUPP*
【13】1J0145828AD HOSE-CONNECTION
【16】6N0129734 Spacer
【21】N0195313 BOLT
